lemon-mirror:
Home >> Lexus >> 2013 >> IS F >> Repair and Diagnosis >> Electrical >> Body Electrical >> OEM System Circuits >> Front Wiper and Washer >> Notes

Front Wiper and Washer: Notes

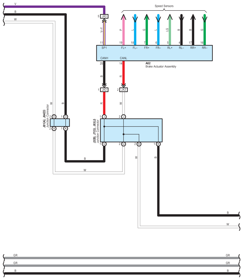
Fig 1: Front Wiper And Washer System Wiring Diagram (1 Of 9)
G09122236Courtesy of © TOYOTA, LICENSE AGREEMENT TMS1002
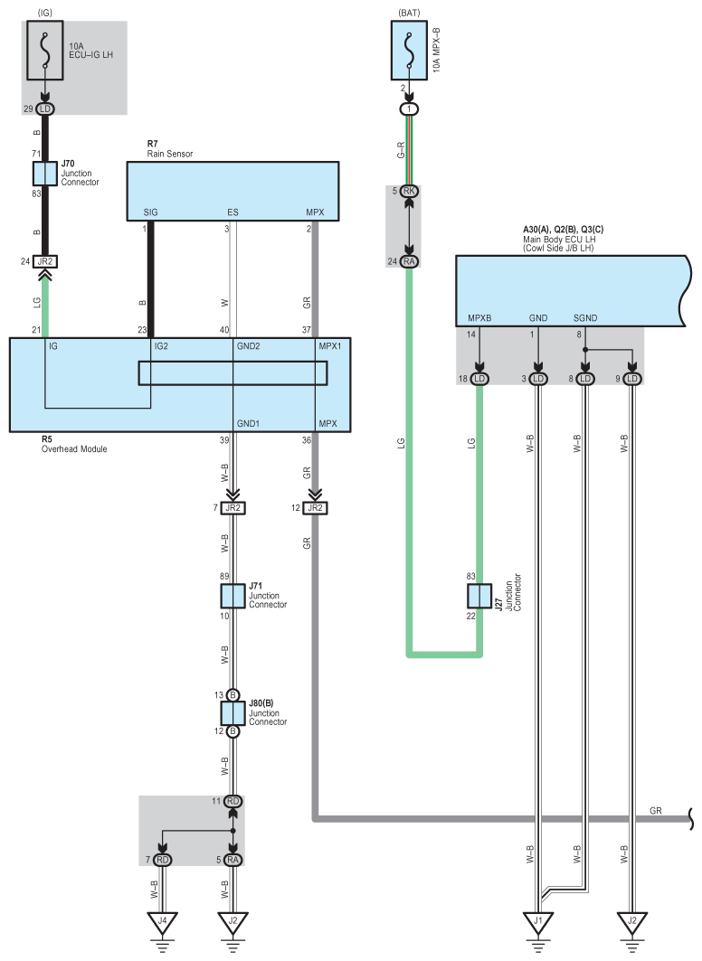
Fig 2: Front Wiper And Washer System Wiring Diagram (2 Of 9)
G09122237Courtesy of © TOYOTA, LICENSE AGREEMENT TMS1002
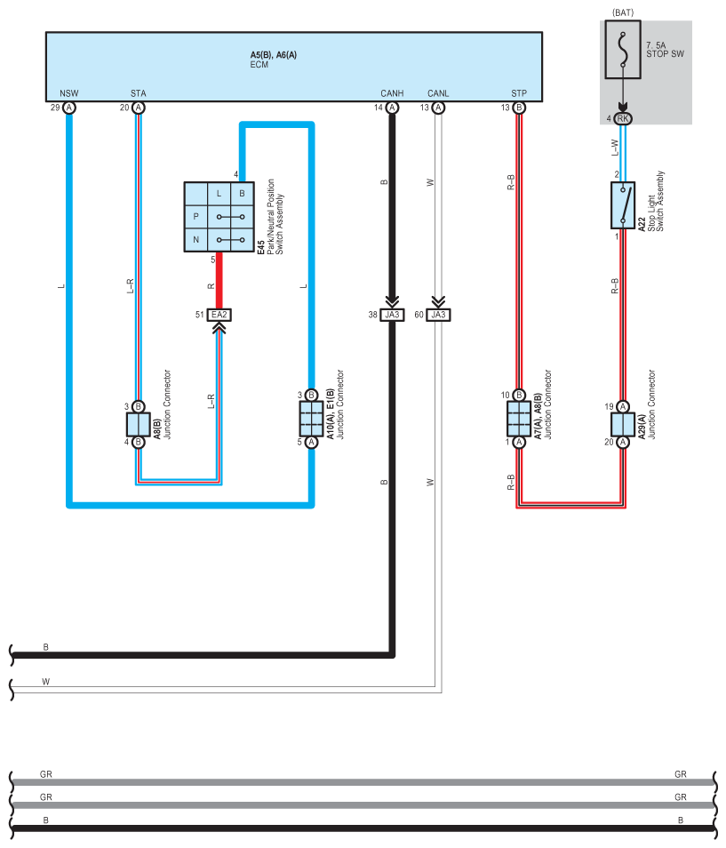
Fig 3: Front Wiper And Washer System Wiring Diagram (3 Of 9)
G09122238Courtesy of © TOYOTA, LICENSE AGREEMENT TMS1002
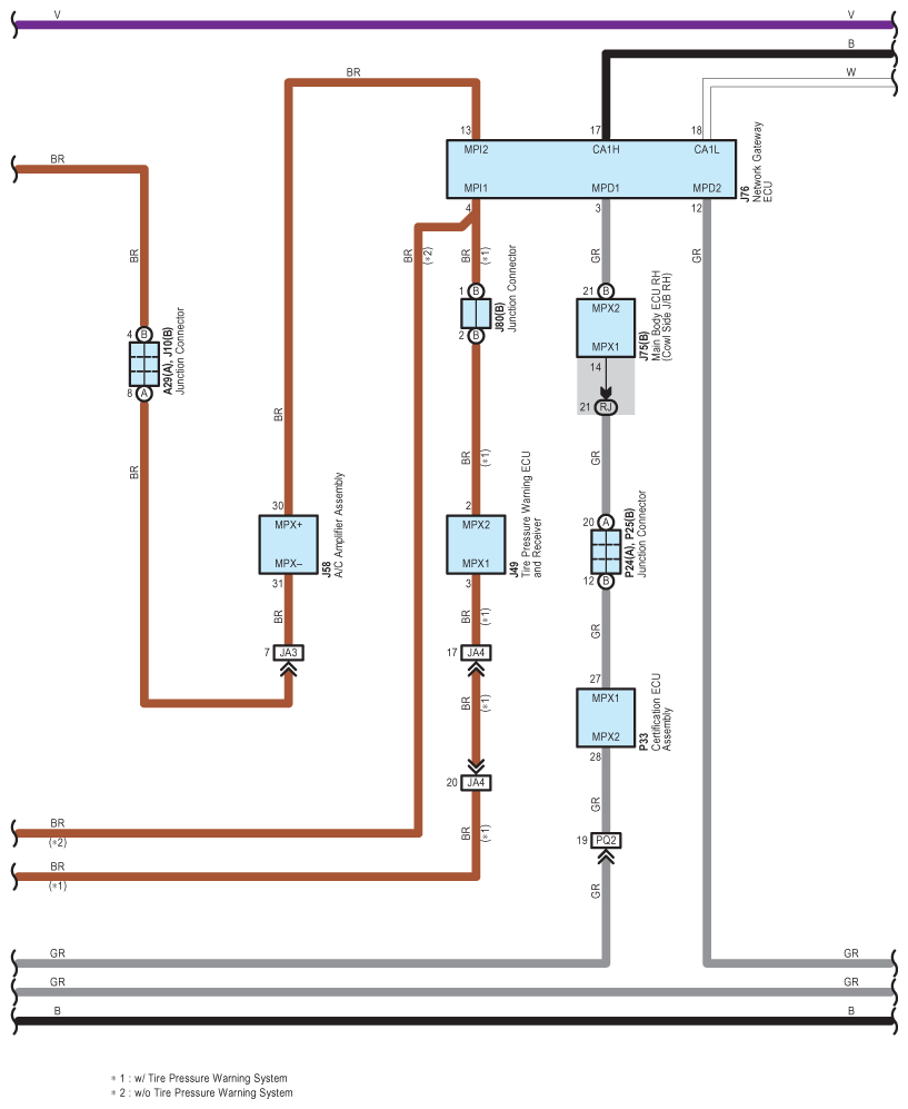
Fig 4: Front Wiper And Washer System Wiring Diagram (4 Of 9)
G09122239Courtesy of © TOYOTA, LICENSE AGREEMENT TMS1002
Fig 5: Front Wiper And Washer System Wiring Diagram (5 Of 9)
G09122240Courtesy of © TOYOTA, LICENSE AGREEMENT TMS1002
Fig 6: Front Wiper And Washer System Wiring Diagram (6 Of 9)
G09122241Courtesy of © TOYOTA, LICENSE AGREEMENT TMS1002
Fig 7: Front Wiper And Washer System Wiring Diagram (7 Of 9)
G09122242Courtesy of © TOYOTA, LICENSE AGREEMENT TMS1002
Fig 8: Front Wiper And Washer System Wiring Diagram (8 Of 9)
G09122243Courtesy of © TOYOTA, LICENSE AGREEMENT TMS1002
Fig 9: Front Wiper And Washer System Wiring Diagram (9 Of 9)
G09122244Courtesy of © TOYOTA, LICENSE AGREEMENT TMS1002