lemon-mirror:
Home >> Lexus >> 2013 >> IS F >> Repair and Diagnosis >> Electrical >> Body Electrical >> OEM System Circuits >> Illumination >> Notes

OEM System Circuits: Illumination: Notes

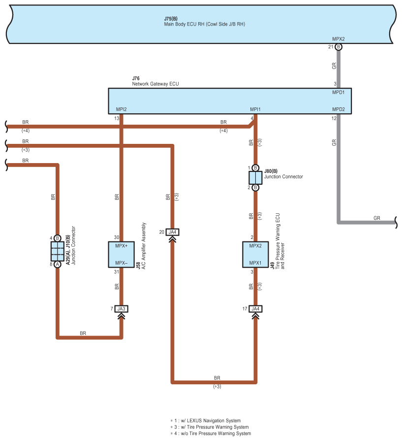
Fig 1: Illumination System Wiring Diagram (1 Of 8)
G09122199Courtesy of © TOYOTA, LICENSE AGREEMENT TMS1002
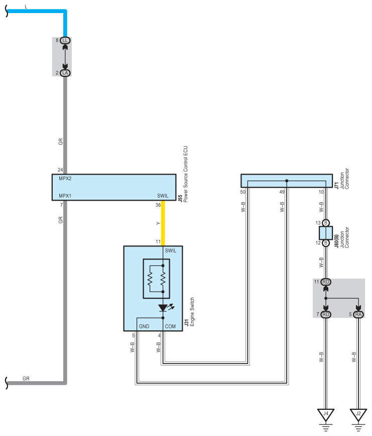
Fig 2: Illumination System Wiring Diagram (2 Of 8)
G09122200Courtesy of © TOYOTA, LICENSE AGREEMENT TMS1002
Fig 3: Illumination System Wiring Diagram (3 Of 8)
G09122201Courtesy of © TOYOTA, LICENSE AGREEMENT TMS1002
Fig 4: Illumination System Wiring Diagram (4 Of 8)
G09122202Courtesy of © TOYOTA, LICENSE AGREEMENT TMS1002
Fig 5: Illumination System Wiring Diagram (5 Of 8)
G09122203Courtesy of © TOYOTA, LICENSE AGREEMENT TMS1002
Fig 6: Illumination System Wiring Diagram (6 Of 8)
G09122204Courtesy of © TOYOTA, LICENSE AGREEMENT TMS1002
Fig 7: Illumination System Wiring Diagram (7 Of 8)
G09122205Courtesy of © TOYOTA, LICENSE AGREEMENT TMS1002
Fig 8: Illumination System Wiring Diagram (8 Of 8)
G09122206Courtesy of © TOYOTA, LICENSE AGREEMENT TMS1002