lemon-mirror:
Home >> Lexus >> 2013 >> IS F >> Repair and Diagnosis >> Electrical >> Body Electrical >> OEM System Circuits >> Power Source >> Notes

Power Source: Notes

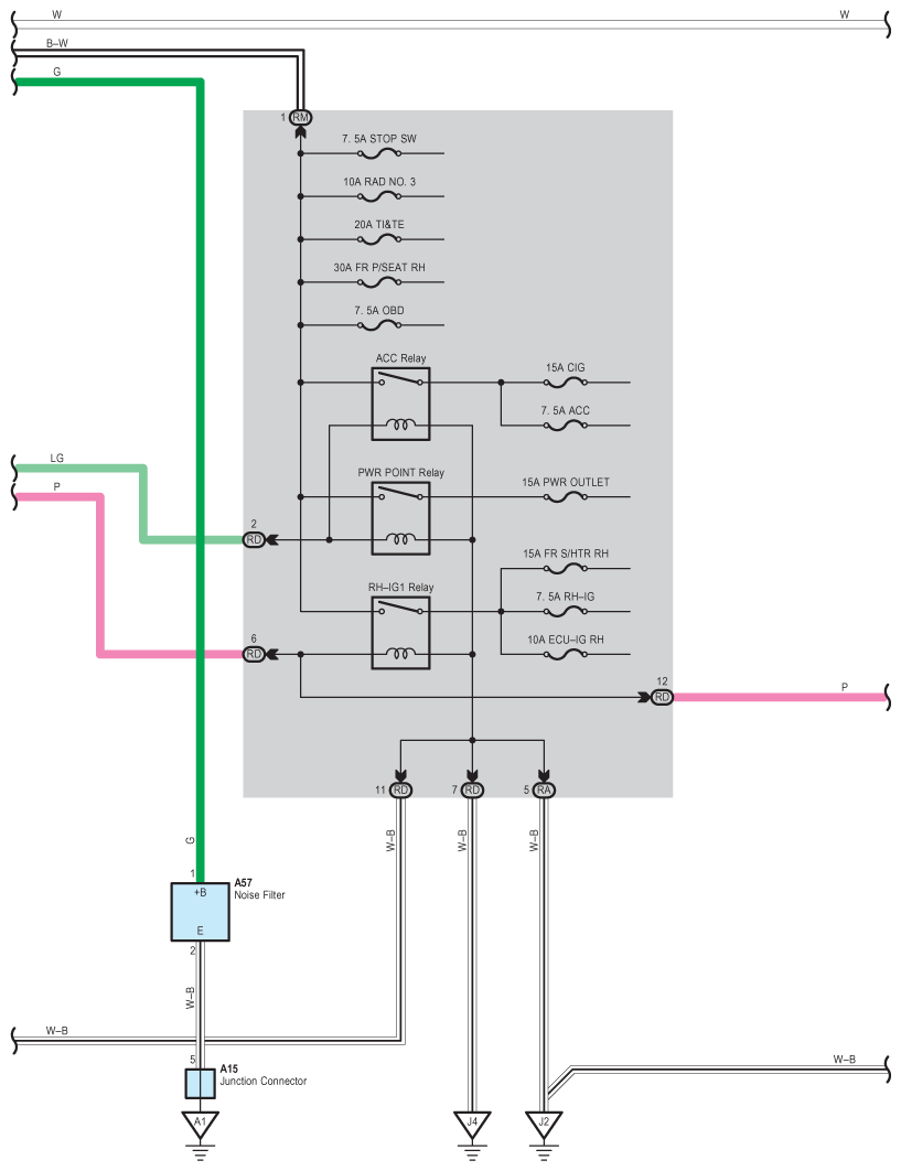
Fig 1: Power Source System Wiring Diagram (1 Of 5)
G09122108Courtesy of © TOYOTA, LICENSE AGREEMENT TMS1002
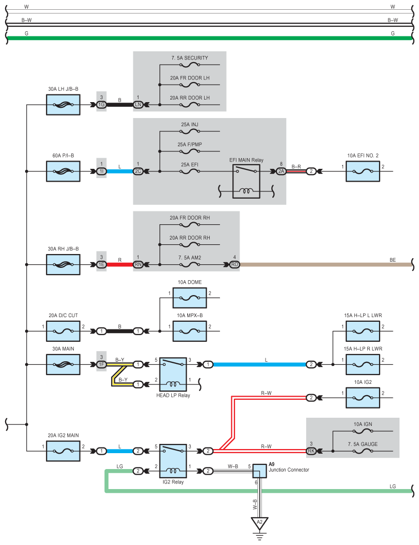
Fig 2: Power Source System Wiring Diagram (2 Of 5)
G09122109Courtesy of © TOYOTA, LICENSE AGREEMENT TMS1002
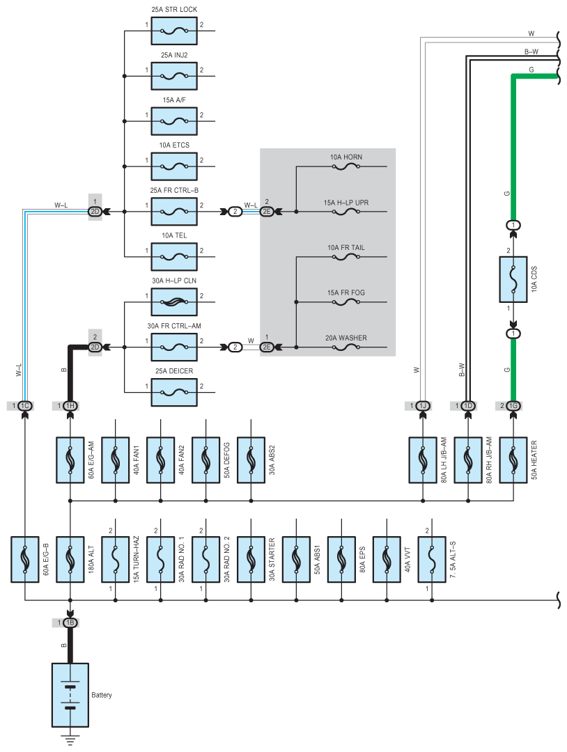
Fig 3: Power Source System Wiring Diagram (3 Of 5)
G09122110Courtesy of © TOYOTA, LICENSE AGREEMENT TMS1002
Fig 4: Power Source System Wiring Diagram (4 Of 5)
G09122111Courtesy of © TOYOTA, LICENSE AGREEMENT TMS1002
Fig 5: Power Source System Wiring Diagram (5 Of 5)
G09122112Courtesy of © TOYOTA, LICENSE AGREEMENT TMS1002