lemon-mirror:
Home >> Lexus >> 2013 >> IS F >> Repair and Diagnosis >> Electrical >> Body Electrical >> OEM System Circuits >> SRS >> Notes

OEM System Circuits: SRS: Notes

NOTE: When inspecting or repairing the SRS, perform service in accordance with the following precautionary instructions and the procedures.
Fig 2: SRS System Wiring Diagram (1 Of 8)
G09122303Courtesy of © TOYOTA, LICENSE AGREEMENT TMS1002
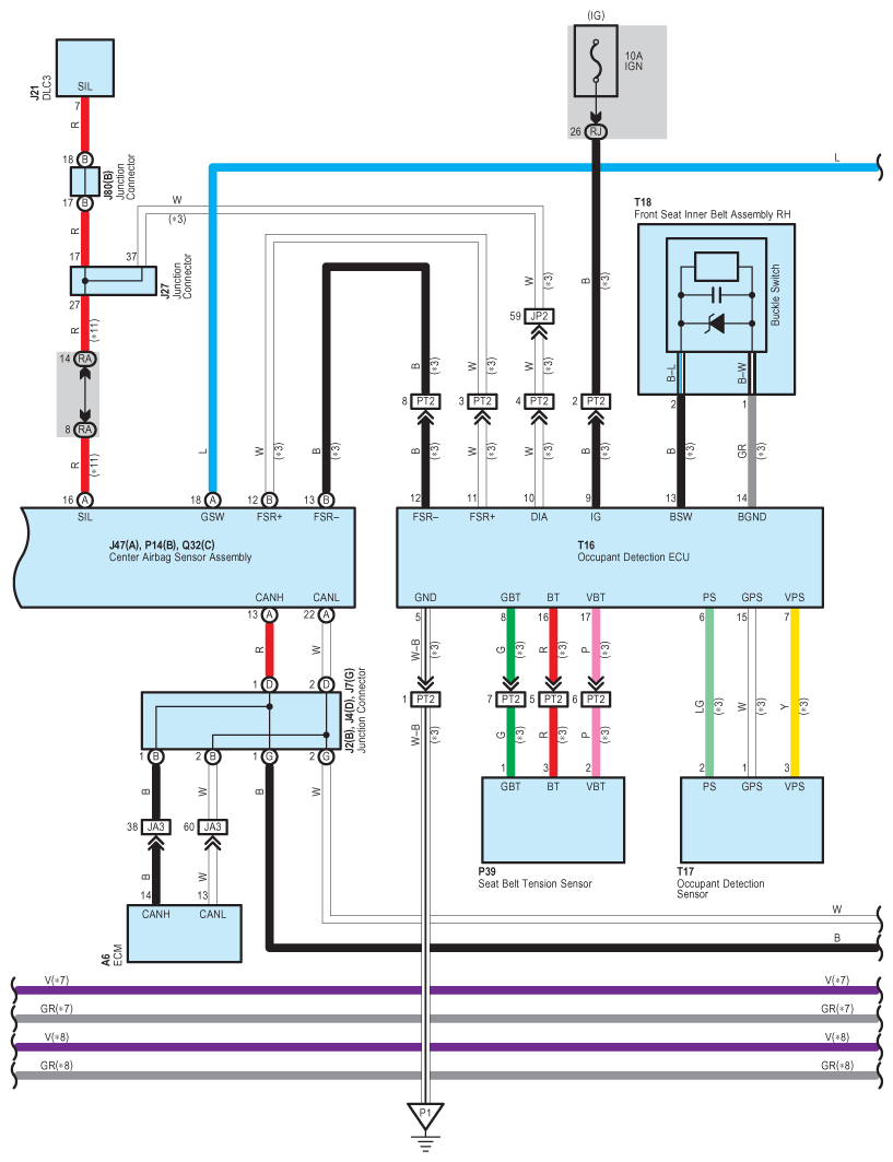
Fig 3: SRS System Wiring Diagram (2 Of 8)
G09122304Courtesy of © TOYOTA, LICENSE AGREEMENT TMS1002
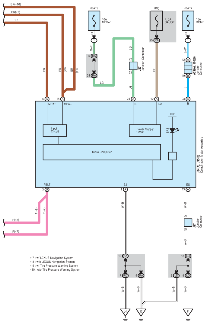
Fig 4: SRS System Wiring Diagram (3 Of 8)
G09122305Courtesy of © TOYOTA, LICENSE AGREEMENT TMS1002
Fig 5: SRS System Wiring Diagram (4 Of 8)
G09122306Courtesy of © TOYOTA, LICENSE AGREEMENT TMS1002
Fig 6: SRS System Wiring Diagram (5 Of 8)
G09122307Courtesy of © TOYOTA, LICENSE AGREEMENT TMS1002
Fig 7: SRS System Wiring Diagram (6 Of 8)
G09122308Courtesy of © TOYOTA, LICENSE AGREEMENT TMS1002
Fig 8: SRS System Wiring Diagram (7 Of 8)
G09122309Courtesy of © TOYOTA, LICENSE AGREEMENT TMS1002
Fig 9: SRS System Wiring Diagram (8 Of 8)
G09122310Courtesy of © TOYOTA, LICENSE AGREEMENT TMS1002