lemon-mirror:
Home >> Lexus >> 2013 >> IS F >> Repair and Diagnosis >> Electrical >> Body Electrical >> OEM System Circuits >> Taillight >> Notes

OEM System Circuits: Taillight: Notes

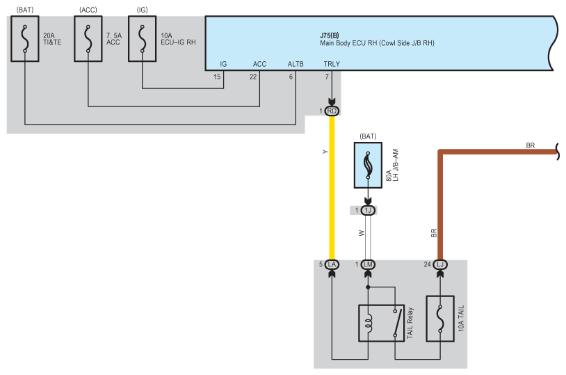
Fig 1: Taillight System Wiring Diagram (1 Of 8)
G09122207Courtesy of © TOYOTA, LICENSE AGREEMENT TMS1002
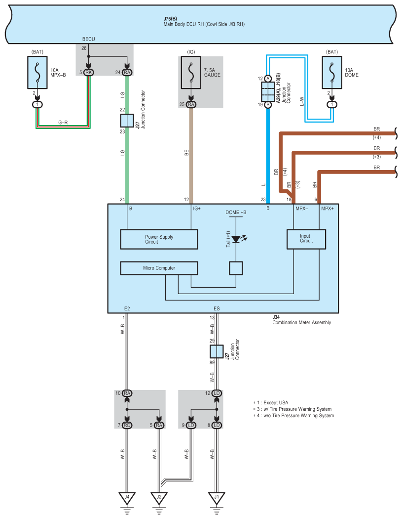
Fig 2: Taillight System Wiring Diagram (2 Of 8)
G09122208Courtesy of © TOYOTA, LICENSE AGREEMENT TMS1002
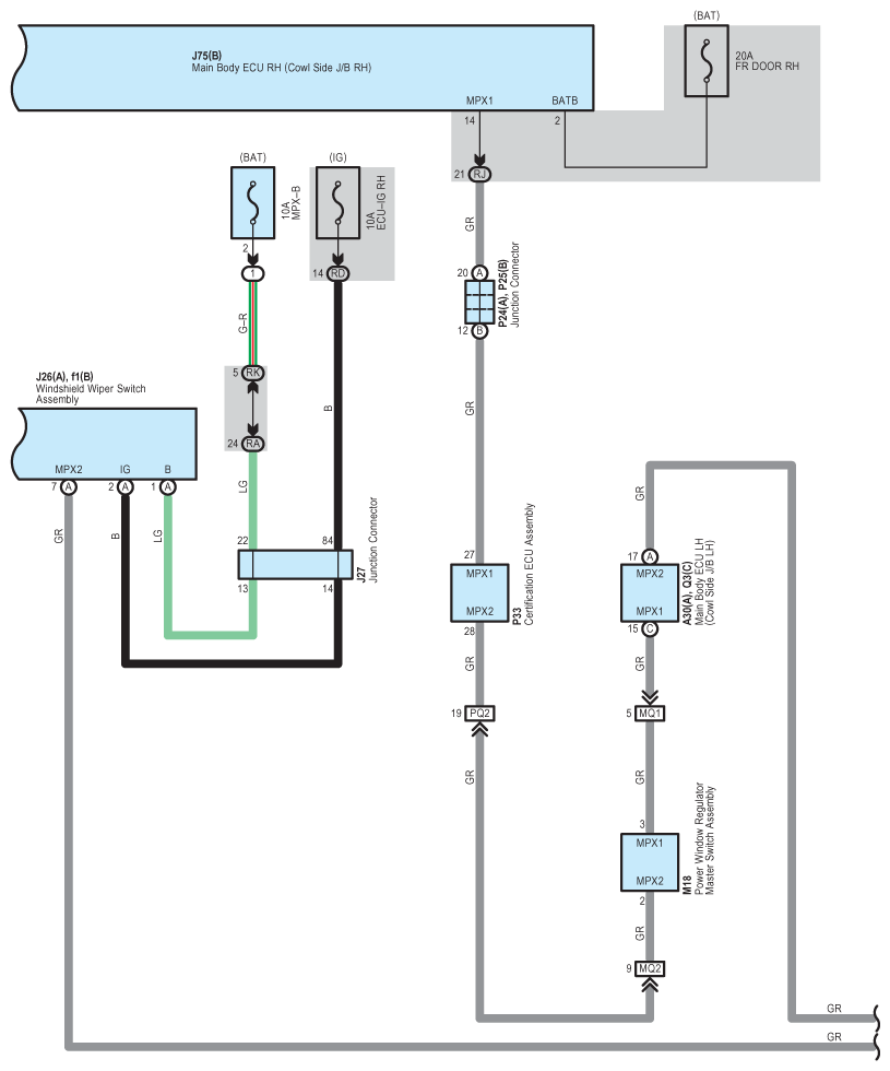
Fig 3: Taillight System Wiring Diagram (3 Of 8)
G09122209Courtesy of © TOYOTA, LICENSE AGREEMENT TMS1002
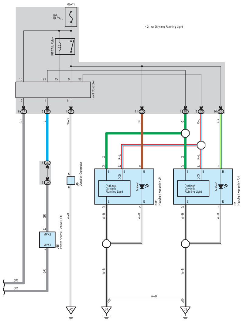
Fig 4: Taillight System Wiring Diagram (4 Of 8)
G09122210Courtesy of © TOYOTA, LICENSE AGREEMENT TMS1002
Fig 5: Taillight System Wiring Diagram (5 Of 8)
G09122211Courtesy of © TOYOTA, LICENSE AGREEMENT TMS1002
Fig 6: Taillight System Wiring Diagram (6 Of 8)
G09122212Courtesy of © TOYOTA, LICENSE AGREEMENT TMS1002
Fig 7: Taillight System Wiring Diagram (7 Of 8)
G09122213Courtesy of © TOYOTA, LICENSE AGREEMENT TMS1002
Fig 8: Taillight System Wiring Diagram (8 Of 8)
G09122214Courtesy of © TOYOTA, LICENSE AGREEMENT TMS1002