lemon-mirror:
Home >> Lexus >> 2013 >> LS 600hL >> Repair and Diagnosis >> Electrical >> Body Electrical >> OEM System Circuits >> Adaptive Front-Lighting System >> Notes

Adaptive Front-Lighting System: Notes

Fig 1: Adaptive Front-Lighting System Wiring Diagram (1 Of 6)
G09123235Courtesy of © TOYOTA, LICENSE AGREEMENT TMS1002
Fig 2: Adaptive Front-Lighting System Wiring Diagram (2 Of 6)
G09123236Courtesy of © TOYOTA, LICENSE AGREEMENT TMS1002
Fig 3: Adaptive Front-Lighting System Wiring Diagram (3 Of 6)
G09123237Courtesy of © TOYOTA, LICENSE AGREEMENT TMS1002
Fig 4: Adaptive Front-Lighting System Wiring Diagram (4 Of 6)
G09123238Courtesy of © TOYOTA, LICENSE AGREEMENT TMS1002
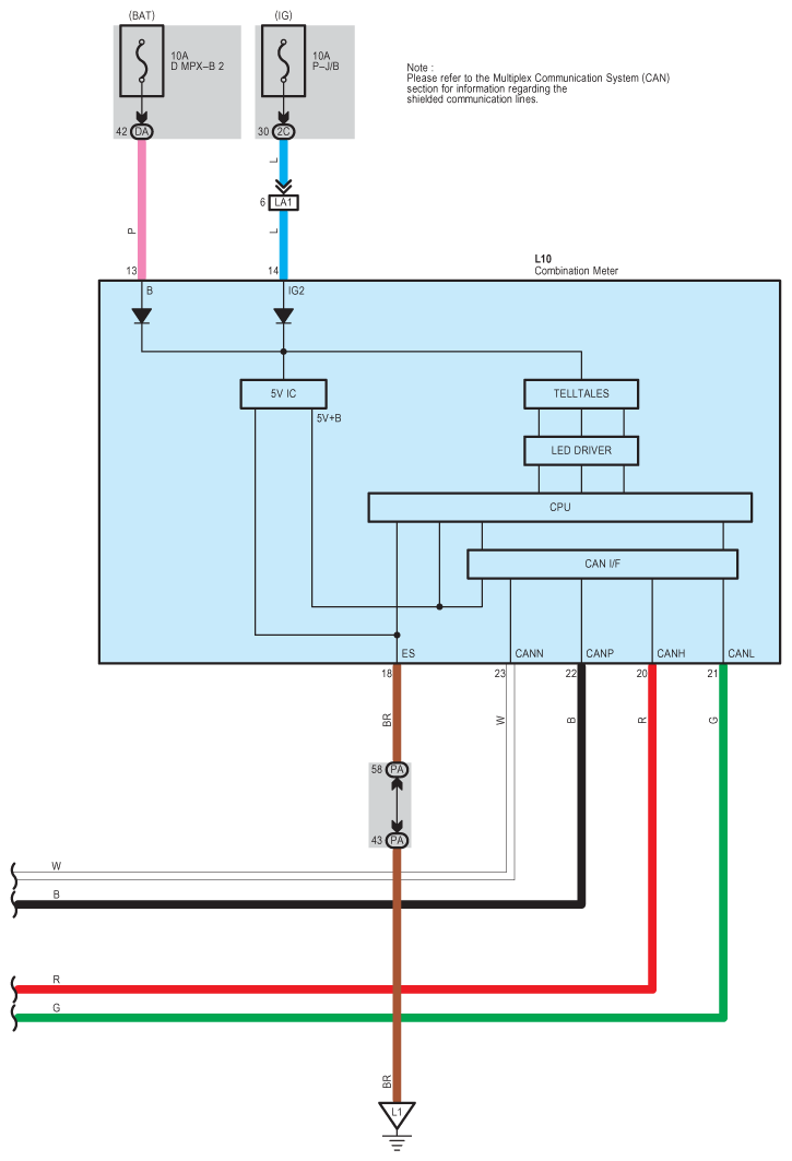
Fig 5: Adaptive Front-Lighting System Wiring Diagram (5 Of 6)
G09123239Courtesy of © TOYOTA, LICENSE AGREEMENT TMS1002
Fig 6: Adaptive Front-Lighting System Wiring Diagram (6 Of 6)
G09123240Courtesy of © TOYOTA, LICENSE AGREEMENT TMS1002