lemon-mirror:
Home >> Lexus >> 2013 >> LS 600hL >> Repair and Diagnosis >> Electrical >> Body Electrical >> OEM System Circuits >> Engine Control >> Notes

Engine Control: Notes

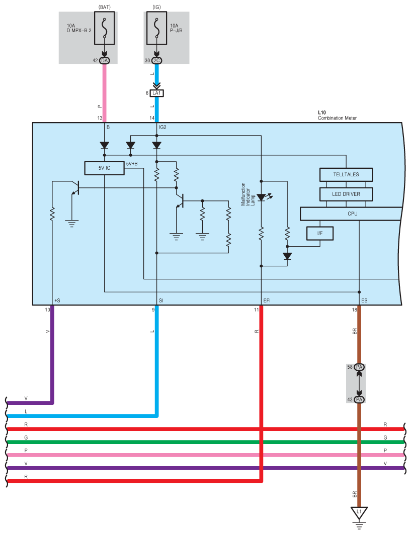
Fig 1: Engine Control System Wiring Diagram (1 Of 24)
G09123133Courtesy of © TOYOTA, LICENSE AGREEMENT TMS1002
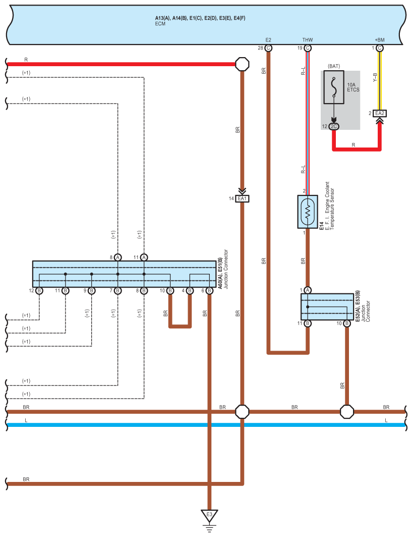
Fig 2: Engine Control System Wiring Diagram (2 Of 24)
G09123134Courtesy of © TOYOTA, LICENSE AGREEMENT TMS1002
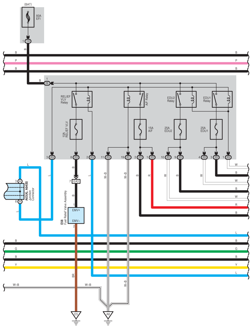
Fig 3: Engine Control System Wiring Diagram (3 Of 24)
G09123135Courtesy of © TOYOTA, LICENSE AGREEMENT TMS1002
Fig 4: Engine Control System Wiring Diagram (4 Of 24)
G09123136Courtesy of © TOYOTA, LICENSE AGREEMENT TMS1002
Fig 5: Engine Control System Wiring Diagram (5 Of 24)
G09123137Courtesy of © TOYOTA, LICENSE AGREEMENT TMS1002
Fig 6: Engine Control System Wiring Diagram (6 Of 24)
G09123138Courtesy of © TOYOTA, LICENSE AGREEMENT TMS1002
Fig 7: Engine Control System Wiring Diagram (7 Of 24)
G09123139Courtesy of © TOYOTA, LICENSE AGREEMENT TMS1002
Fig 8: Engine Control System Wiring Diagram (8 Of 24)
G09123140Courtesy of © TOYOTA, LICENSE AGREEMENT TMS1002
Fig 9: Engine Control System Wiring Diagram (9 Of 24)
G09123141Courtesy of © TOYOTA, LICENSE AGREEMENT TMS1002
Fig 10: Engine Control System Wiring Diagram (10 Of 24)
G09123142Courtesy of © TOYOTA, LICENSE AGREEMENT TMS1002
Fig 11: Engine Control System Wiring Diagram (11 Of 24)
G09123143Courtesy of © TOYOTA, LICENSE AGREEMENT TMS1002
Fig 12: Engine Control System Wiring Diagram (12 Of 24)
G09123144Courtesy of © TOYOTA, LICENSE AGREEMENT TMS1002
Fig 13: Engine Control System Wiring Diagram (13 Of 24)
G09123145Courtesy of © TOYOTA, LICENSE AGREEMENT TMS1002
Fig 14: Engine Control System Wiring Diagram (14 Of 24)
G09123146Courtesy of © TOYOTA, LICENSE AGREEMENT TMS1002
Fig 15: Engine Control System Wiring Diagram (15 Of 24)
G09123147Courtesy of © TOYOTA, LICENSE AGREEMENT TMS1002
Fig 16: Engine Control System Wiring Diagram (16 Of 24)
G09123148Courtesy of © TOYOTA, LICENSE AGREEMENT TMS1002
Fig 17: Engine Control System Wiring Diagram (17 Of 24)
G09123149Courtesy of © TOYOTA, LICENSE AGREEMENT TMS1002
Fig 18: Engine Control System Wiring Diagram (18 Of 24)
G09123150Courtesy of © TOYOTA, LICENSE AGREEMENT TMS1002
Fig 19: Engine Control System Wiring Diagram (19 Of 24)
G09123151Courtesy of © TOYOTA, LICENSE AGREEMENT TMS1002
Fig 20: Engine Control System Wiring Diagram (20 Of 24)
G09123152Courtesy of © TOYOTA, LICENSE AGREEMENT TMS1002
Fig 21: Engine Control System Wiring Diagram (21 Of 24)
G09123153Courtesy of © TOYOTA, LICENSE AGREEMENT TMS1002
Fig 22: Engine Control System Wiring Diagram (22 Of 24)
G09123154Courtesy of © TOYOTA, LICENSE AGREEMENT TMS1002
Fig 23: Engine Control System Wiring Diagram (23 Of 24)
G09123155Courtesy of © TOYOTA, LICENSE AGREEMENT TMS1002
Fig 24: Engine Control System Wiring Diagram (24 Of 24)
G09123156Courtesy of © TOYOTA, LICENSE AGREEMENT TMS1002