lemon-mirror:
Home >> Lexus >> 2013 >> LS 600hL >> Repair and Diagnosis >> Electrical >> Body Electrical >> OEM System Circuits >> Fog Light >> Notes

Fog Light: Notes

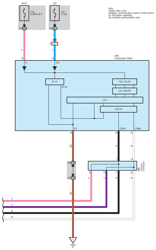
Fig 1: Fog Light System Wiring Diagram (1 Of 3)
G09123226Courtesy of © TOYOTA, LICENSE AGREEMENT TMS1002
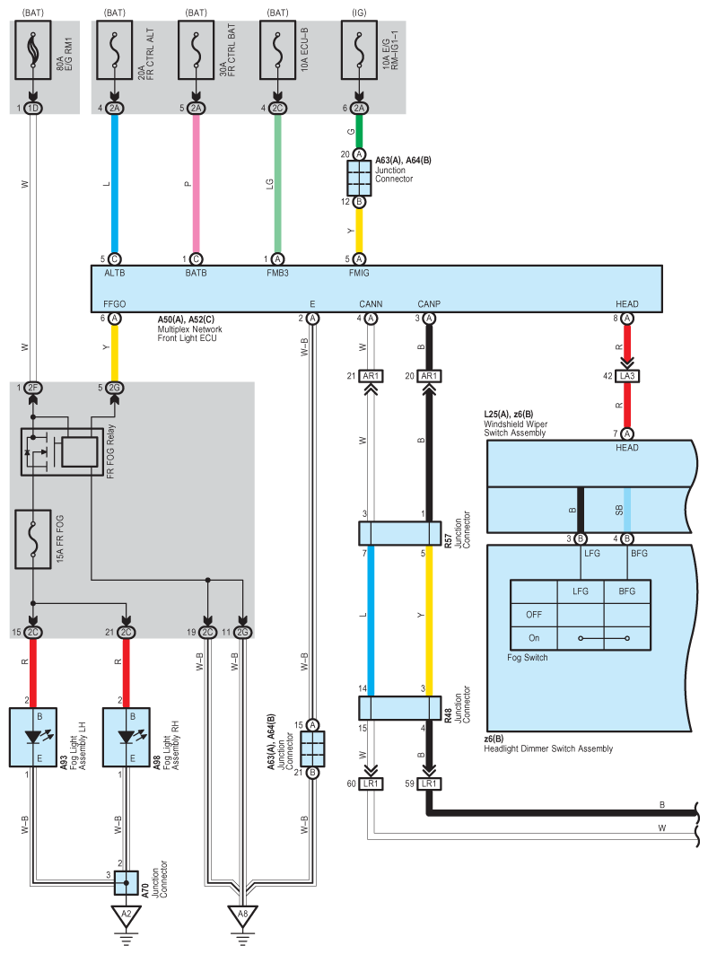
Fig 2: Fog Light System Wiring Diagram (2 Of 3)
G09123227Courtesy of © TOYOTA, LICENSE AGREEMENT TMS1002
Fig 3: Fog Light System Wiring Diagram (3 Of 3)
G09123228Courtesy of © TOYOTA, LICENSE AGREEMENT TMS1002