lemon-mirror:
Home >> Lexus >> 2013 >> LS 600hL >> Repair and Diagnosis >> Electrical >> Body Electrical >> OEM System Circuits >> Front Window Deicer >> Notes

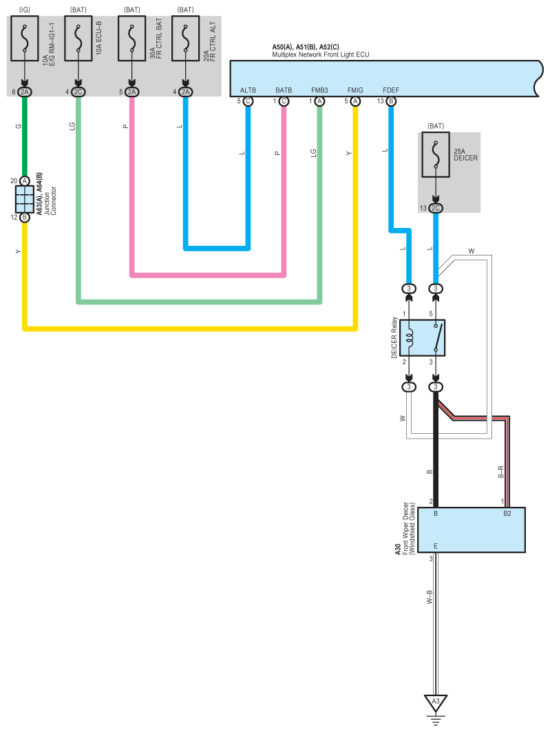
Front Window Deicer: Notes

Fig 1: Front Window Deicer System Wiring Diagram (1 Of 2)
G09123482Courtesy of © TOYOTA, LICENSE AGREEMENT TMS1002
Fig 2: Front Window Deicer System Wiring Diagram (2 Of 2)
G09123483Courtesy of © TOYOTA, LICENSE AGREEMENT TMS1002