lemon-mirror:
Home >> Lexus >> 2013 >> LS 600hL >> Repair and Diagnosis >> Electrical >> Body Electrical >> OEM System Circuits >> Headlight Cleaner >> Notes

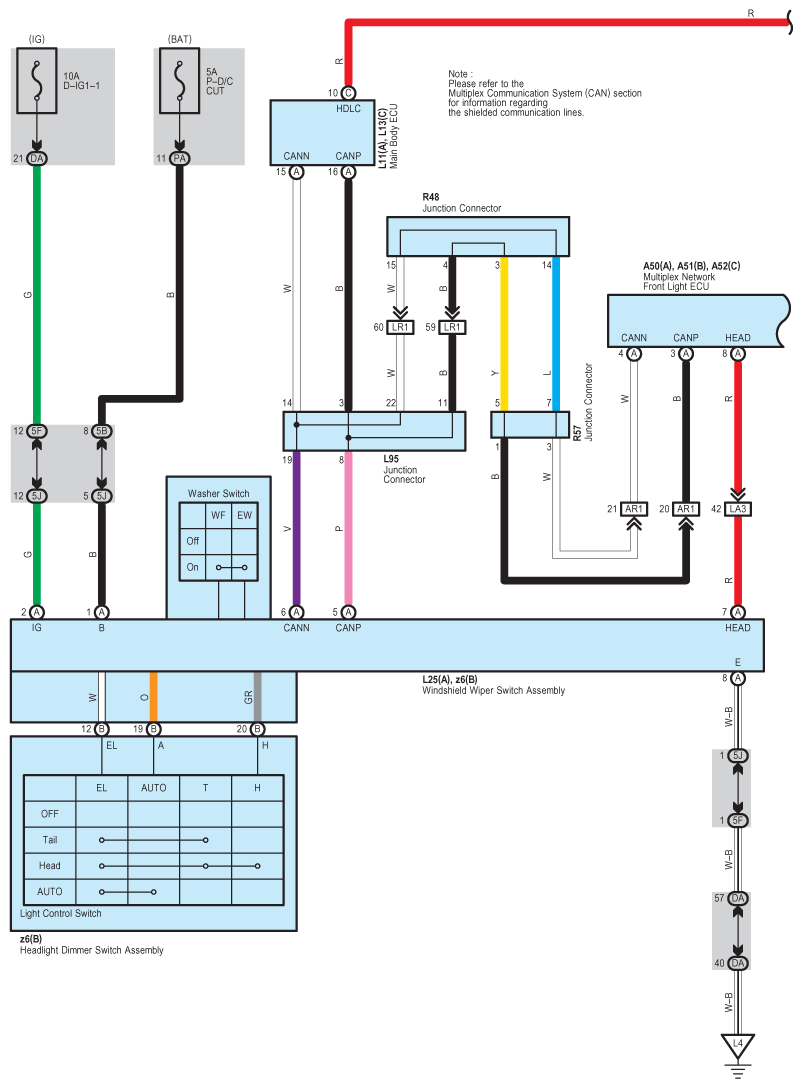
Headlight Cleaner: Notes

Fig 1: Headlight Cleaner System Wiring Diagram (1 Of 2)
G09123241Courtesy of © TOYOTA, LICENSE AGREEMENT TMS1002
Fig 2: Headlight Cleaner System Wiring Diagram (2 Of 2)
G09123242Courtesy of © TOYOTA, LICENSE AGREEMENT TMS1002