lemon-mirror:
Home >> Lexus >> 2013 >> LS 600hL >> Repair and Diagnosis >> Electrical >> Body Electrical >> OEM System Circuits >> Horn >> Notes

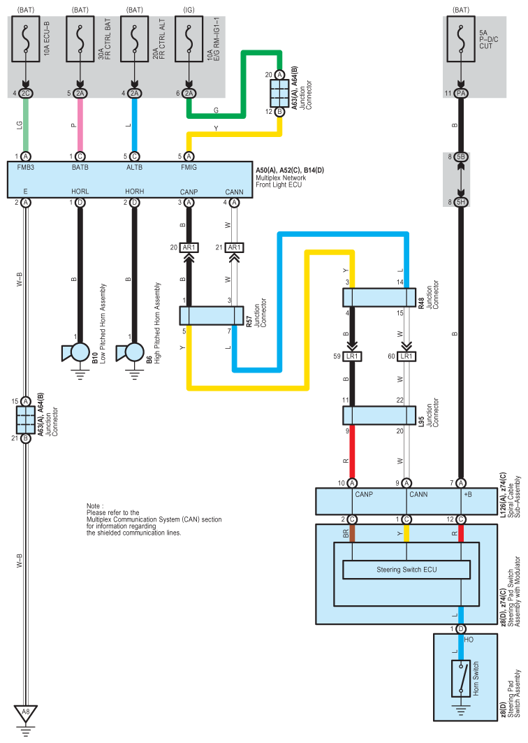
OEM System Circuits: Horn: Notes

Fig 1: Horn System Wiring Diagram
G09123460Courtesy of © TOYOTA, LICENSE AGREEMENT TMS1002