lemon-mirror:
Home >> Lexus >> 2013 >> LS 600hL >> Repair and Diagnosis >> Electrical >> Body Electrical >> OEM System Circuits >> Lane Keeping Assist >> Notes

Lane Keeping Assist: Notes

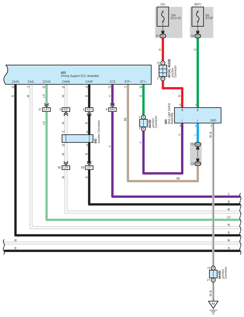
Fig 1: Lane Keeping Assist System Wiring Diagram (1 Of 13)
G09123366Courtesy of © TOYOTA, LICENSE AGREEMENT TMS1002
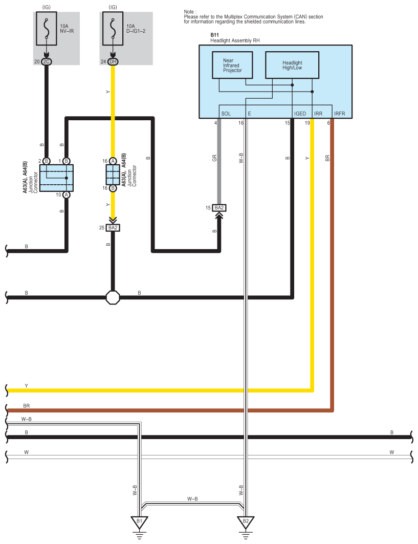
Fig 2: Lane Keeping Assist System Wiring Diagram (2 Of 13)
G09123367Courtesy of © TOYOTA, LICENSE AGREEMENT TMS1002
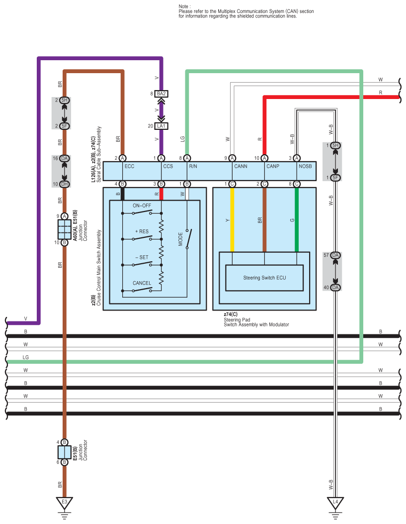
Fig 3: Lane Keeping Assist System Wiring Diagram (3 Of 13)
G09123368Courtesy of © TOYOTA, LICENSE AGREEMENT TMS1002
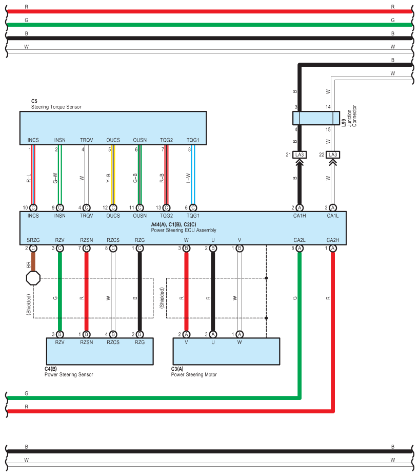
Fig 4: Lane Keeping Assist System Wiring Diagram (4 Of 13)
G09123369Courtesy of © TOYOTA, LICENSE AGREEMENT TMS1002
Fig 5: Lane Keeping Assist System Wiring Diagram (5 Of 13)
G09123370Courtesy of © TOYOTA, LICENSE AGREEMENT TMS1002
Fig 6: Lane Keeping Assist System Wiring Diagram (6 Of 13)
G09123371Courtesy of © TOYOTA, LICENSE AGREEMENT TMS1002
Fig 7: Lane Keeping Assist System Wiring Diagram (7 Of 13)
G09123372Courtesy of © TOYOTA, LICENSE AGREEMENT TMS1002
Fig 8: Lane Keeping Assist System Wiring Diagram (8 Of 13)
G09123373Courtesy of © TOYOTA, LICENSE AGREEMENT TMS1002
Fig 9: Lane Keeping Assist System Wiring Diagram (9 Of 13)
G09123374Courtesy of © TOYOTA, LICENSE AGREEMENT TMS1002
Fig 10: Lane Keeping Assist System Wiring Diagram (10 Of 13)
G09123375Courtesy of © TOYOTA, LICENSE AGREEMENT TMS1002
Fig 11: Lane Keeping Assist System Wiring Diagram (11 Of 13)
G09123376Courtesy of © TOYOTA, LICENSE AGREEMENT TMS1002
Fig 12: Lane Keeping Assist System Wiring Diagram (12 Of 13)
G09123377Courtesy of © TOYOTA, LICENSE AGREEMENT TMS1002
Fig 13: Lane Keeping Assist System Wiring Diagram (13 Of 13)
G09123378Courtesy of © TOYOTA, LICENSE AGREEMENT TMS1002