lemon-mirror:
Home >> Lexus >> 2013 >> LS 600hL >> Repair and Diagnosis >> Electrical >> Body Electrical >> OEM System Circuits >> Multiplex Communication System (CAN) >> Notes

Multiplex Communication System (CAN): Notes

Fig 1: Multiplex Communication (CAN) Identifying System Wiring Diagram (1 Of 16)
G09123158Courtesy of © TOYOTA, LICENSE AGREEMENT TMS1002
Fig 2: Multiplex Communication (CAN) Identifying System Wiring Diagram (2 Of 16)
G09123159Courtesy of © TOYOTA, LICENSE AGREEMENT TMS1002
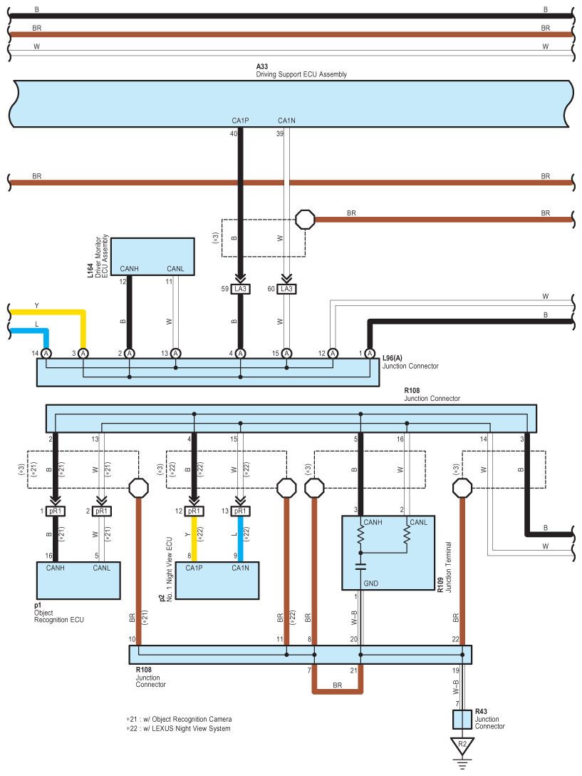
Fig 3: Multiplex Communication (CAN) Identifying System Wiring Diagram (3 Of 16)
G09123160Courtesy of © TOYOTA, LICENSE AGREEMENT TMS1002
Fig 4: Multiplex Communication (CAN) Identifying System Wiring Diagram (4 Of 16)
G09123161Courtesy of © TOYOTA, LICENSE AGREEMENT TMS1002
Fig 5: Multiplex Communication (CAN) Identifying System Wiring Diagram (5 Of 16)
G09123162Courtesy of © TOYOTA, LICENSE AGREEMENT TMS1002
Fig 6: Multiplex Communication (CAN) Identifying System Wiring Diagram (6 Of 16)
G09123163Courtesy of © TOYOTA, LICENSE AGREEMENT TMS1002
Fig 7: Multiplex Communication (CAN) Identifying System Wiring Diagram (7 Of 16)
G09123164Courtesy of © TOYOTA, LICENSE AGREEMENT TMS1002
Fig 8: Multiplex Communication (CAN) Identifying System Wiring Diagram (8 Of 16)
G09123165Courtesy of © TOYOTA, LICENSE AGREEMENT TMS1002
Fig 9: Multiplex Communication (CAN) Identifying System Wiring Diagram (9 Of 16)
G09123166Courtesy of © TOYOTA, LICENSE AGREEMENT TMS1002
Fig 10: Multiplex Communication (CAN) Identifying System Wiring Diagram (10 Of 16)
G09123167Courtesy of © TOYOTA, LICENSE AGREEMENT TMS1002
Fig 11: Multiplex Communication (CAN) Identifying System Wiring Diagram (11 Of 16)
G09123168Courtesy of © TOYOTA, LICENSE AGREEMENT TMS1002
Fig 12: Multiplex Communication (CAN) Identifying System Wiring Diagram (12 Of 16)
G09123169Courtesy of © TOYOTA, LICENSE AGREEMENT TMS1002
Fig 13: Multiplex Communication (CAN) Identifying System Wiring Diagram (13 Of 16)
G09123170Courtesy of © TOYOTA, LICENSE AGREEMENT TMS1002
Fig 14: Multiplex Communication (CAN) Identifying System Wiring Diagram (14 Of 16)
G09123171Courtesy of © TOYOTA, LICENSE AGREEMENT TMS1002
Fig 15: Multiplex Communication (CAN) Identifying System Wiring Diagram (15 Of 16)
G09123172Courtesy of © TOYOTA, LICENSE AGREEMENT TMS1002
Fig 16: Multiplex Communication (CAN) Identifying System Wiring Diagram (16 Of 16)
G09123173Courtesy of © TOYOTA, LICENSE AGREEMENT TMS1002