lemon-mirror:
Home >> Lexus >> 2013 >> LS 600hL >> Repair and Diagnosis >> Electrical >> Body Electrical >> OEM System Circuits >> Remote Control Mirror >> Notes

Remote Control Mirror: Notes

Fig 1: Remote Control Mirror System Wiring Diagram (1 Of 5)
G09123473Courtesy of © TOYOTA, LICENSE AGREEMENT TMS1002
Fig 2: Remote Control Mirror System Wiring Diagram (2 Of 5)
G09123474Courtesy of © TOYOTA, LICENSE AGREEMENT TMS1002
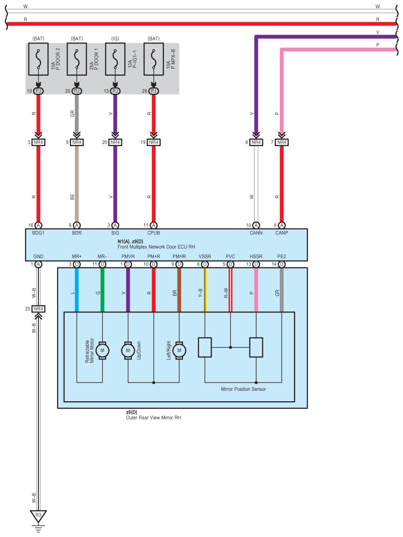
Fig 3: Remote Control Mirror System Wiring Diagram (3 Of 5)
G09123475Courtesy of © TOYOTA, LICENSE AGREEMENT TMS1002
Fig 4: Remote Control Mirror System Wiring Diagram (4 Of 5)
G09123476Courtesy of © TOYOTA, LICENSE AGREEMENT TMS1002
Fig 5: Remote Control Mirror System Wiring Diagram (5 Of 5)
G09123477Courtesy of © TOYOTA, LICENSE AGREEMENT TMS1002