lemon-mirror:
Home >> Lexus >> 2013 >> LS 600hL >> Repair and Diagnosis >> Electrical >> Body Electrical >> OEM System Circuits >> Seat Belt Warning >> Notes

Seat Belt Warning: Notes

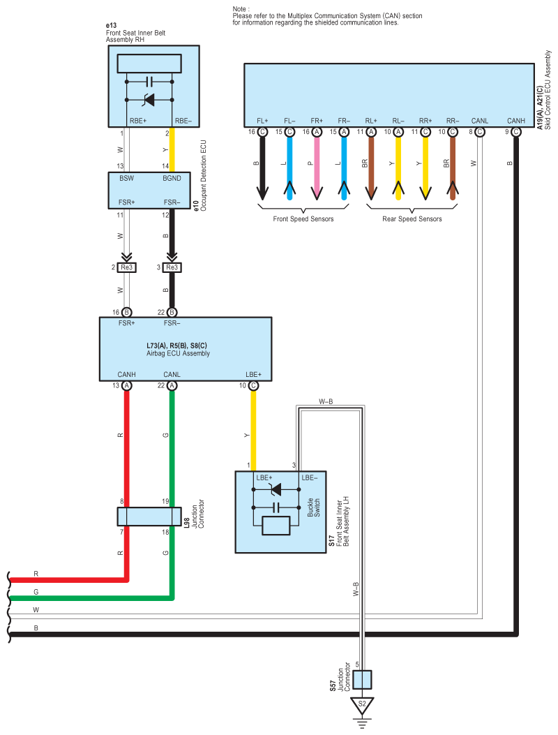
Fig 1: Seat Belt Warning System Wiring Diagram (1 Of 2)
G09123416Courtesy of © TOYOTA, LICENSE AGREEMENT TMS1002
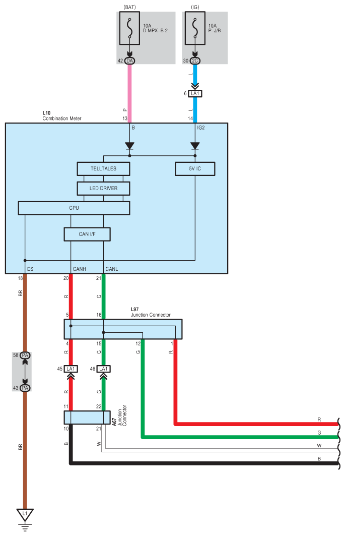
Fig 2: Seat Belt Warning System Wiring Diagram (2 Of 2)
G09123417Courtesy of © TOYOTA, LICENSE AGREEMENT TMS1002