lemon-mirror:
Home >> Lexus >> 2013 >> LS 600hL >> Repair and Diagnosis >> Electrical >> Body Electrical >> OEM System Circuits >> Stop Light >> Notes

Stop Light: Notes

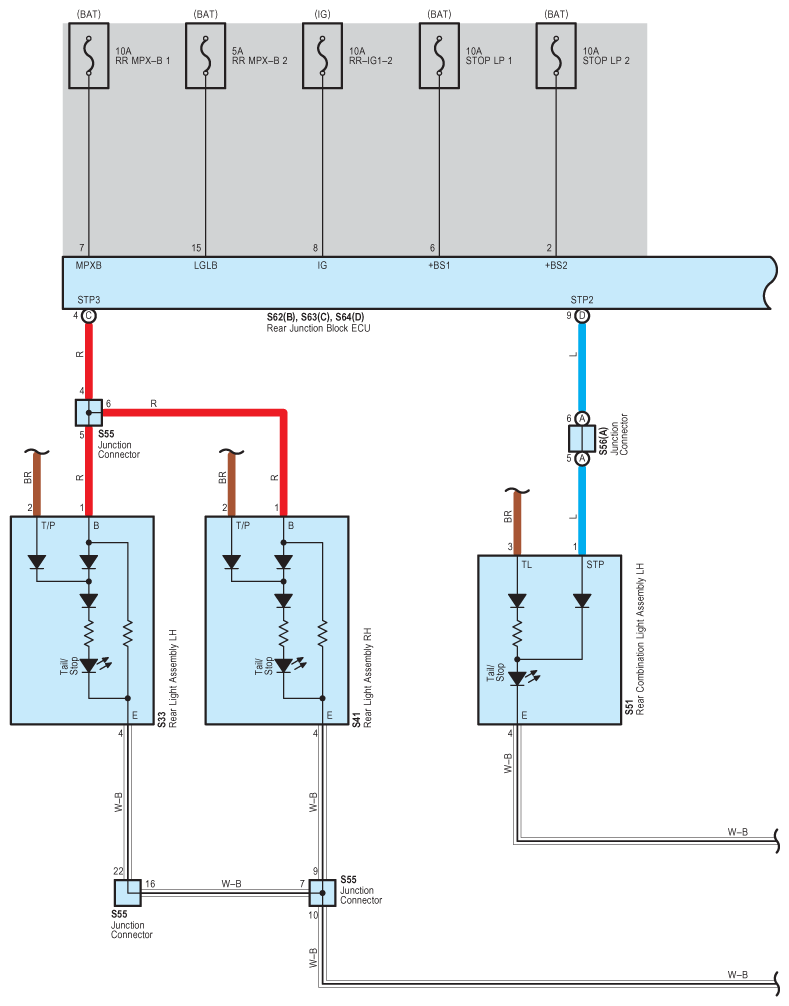
Fig 1: Stop Light System Wiring Diagram (1 Of 3)
G09123222Courtesy of © TOYOTA, LICENSE AGREEMENT TMS1002
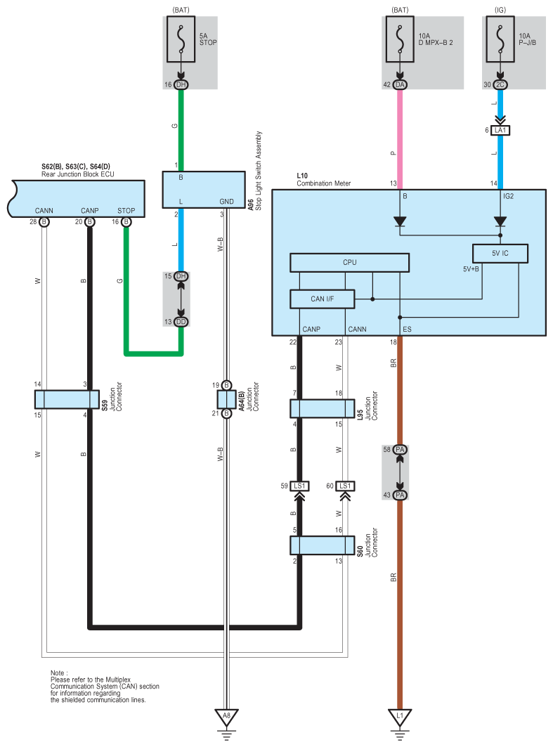
Fig 2: Stop Light System Wiring Diagram (2 Of 3)
G09123223Courtesy of © TOYOTA, LICENSE AGREEMENT TMS1002
Fig 3: Stop Light System Wiring Diagram (3 Of 3)
G09123224Courtesy of © TOYOTA, LICENSE AGREEMENT TMS1002