lemon-mirror:
Home >> Lexus >> 2013 >> LS 600hL >> Repair and Diagnosis >> Electrical >> Body Electrical >> OEM System Circuits >> VGRS System >> Notes

VGRS System: Notes

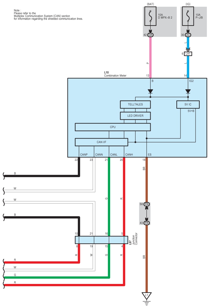
Fig 1: VGRS System Wiring Diagram (1 Of 5)
G09123351Courtesy of © TOYOTA, LICENSE AGREEMENT TMS1002
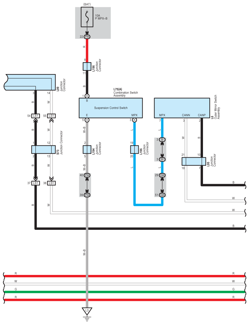
Fig 2: VGRS System Wiring Diagram (2 Of 5)
G09123352Courtesy of © TOYOTA, LICENSE AGREEMENT TMS1002
Fig 3: VGRS System Wiring Diagram (3 Of 5)
G09123353Courtesy of © TOYOTA, LICENSE AGREEMENT TMS1002
Fig 4: VGRS System Wiring Diagram (4 Of 5)
G09123354Courtesy of © TOYOTA, LICENSE AGREEMENT TMS1002
Fig 5: VGRS System Wiring Diagram (5 Of 5)
G09123355Courtesy of © TOYOTA, LICENSE AGREEMENT TMS1002