lemon-mirror:
Home >> Lexus >> 2013 >> RX 350 Base, FWD >> Repair and Diagnosis >> Electrical >> Body Electrical >> OEM System Circuits >> Cooling Fan >> Notes

Cooling Fan: Notes

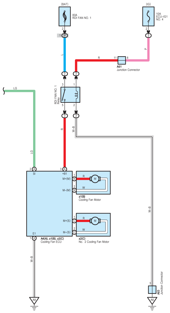
Fig 1: Cooling Fan System Wiring Diagram (1 Of 2)
G09126947Courtesy of © TOYOTA, LICENSE AGREEMENT TMS1002
Fig 2: Cooling Fan System Wiring Diagram (2 Of 2)
G09126948Courtesy of © TOYOTA, LICENSE AGREEMENT TMS1002