lemon-mirror:
Home >> Lexus >> 2013 >> RX 350 Base, FWD >> Repair and Diagnosis >> Electrical >> Body Electrical >> OEM System Circuits >> Dynamic Radar Cruise Control >> Notes

Dynamic Radar Cruise Control: Notes

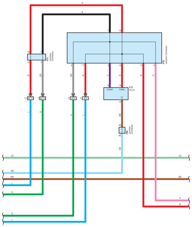
Fig 1: Dynamic Radar Cruise Control System Wiring Diagram (1 Of 13)
G09126743Courtesy of © TOYOTA, LICENSE AGREEMENT TMS1002
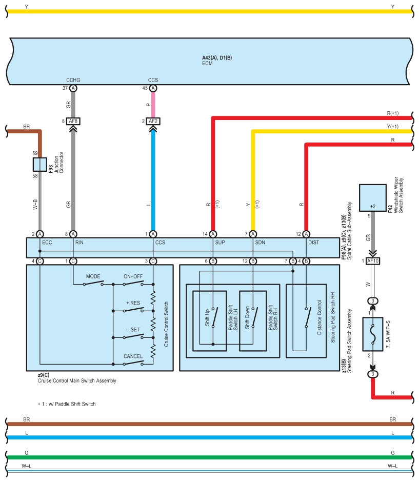
Fig 2: Dynamic Radar Cruise Control System Wiring Diagram (2 Of 13)
G09126744Courtesy of © TOYOTA, LICENSE AGREEMENT TMS1002
Fig 3: Dynamic Radar Cruise Control System Wiring Diagram (3 Of 13)
G09126745Courtesy of © TOYOTA, LICENSE AGREEMENT TMS1002
Fig 4: Dynamic Radar Cruise Control System Wiring Diagram (4 Of 13)
G09126746Courtesy of © TOYOTA, LICENSE AGREEMENT TMS1002
Fig 5: Dynamic Radar Cruise Control System Wiring Diagram (5 Of 13)
G09126747Courtesy of © TOYOTA, LICENSE AGREEMENT TMS1002
Fig 6: Dynamic Radar Cruise Control System Wiring Diagram (6 Of 13)
G09126748Courtesy of © TOYOTA, LICENSE AGREEMENT TMS1002
Fig 7: Dynamic Radar Cruise Control System Wiring Diagram (7 Of 13)
G09126749Courtesy of © TOYOTA, LICENSE AGREEMENT TMS1002
Fig 8: Dynamic Radar Cruise Control System Wiring Diagram (8 Of 13)
G09126750Courtesy of © TOYOTA, LICENSE AGREEMENT TMS1002
Fig 9: Dynamic Radar Cruise Control System Wiring Diagram (9 Of 13)
G09126751Courtesy of © TOYOTA, LICENSE AGREEMENT TMS1002
Fig 10: Dynamic Radar Cruise Control System Wiring Diagram (10 Of 13)
G09126752Courtesy of © TOYOTA, LICENSE AGREEMENT TMS1002
Fig 11: Dynamic Radar Cruise Control System Wiring Diagram (11 Of 13)
G09126753Courtesy of © TOYOTA, LICENSE AGREEMENT TMS1002
Fig 12: Dynamic Radar Cruise Control System Wiring Diagram (12 Of 13)
G09126754Courtesy of © TOYOTA, LICENSE AGREEMENT TMS1002
Fig 13: Dynamic Radar Cruise Control System Wiring Diagram (13 Of 13)
G09126755Courtesy of © TOYOTA, LICENSE AGREEMENT TMS1002