lemon-mirror:
Home >> Lexus >> 2013 >> RX 350 Base, FWD >> Repair and Diagnosis >> Electrical >> Body Electrical >> OEM System Circuits >> Illumination >> Notes

OEM System Circuits: Illumination: Notes

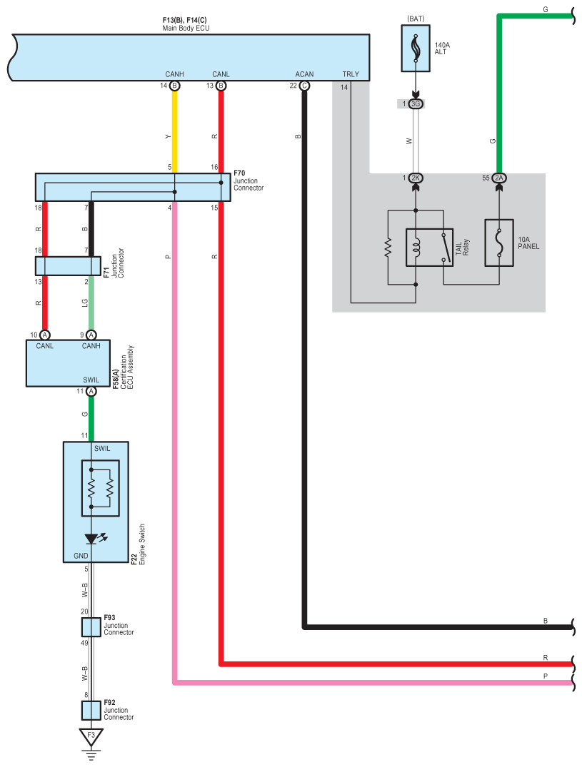
Fig 1: Illumination System Wiring Diagram (1 Of 10)
G09126695Courtesy of © TOYOTA, LICENSE AGREEMENT TMS1002
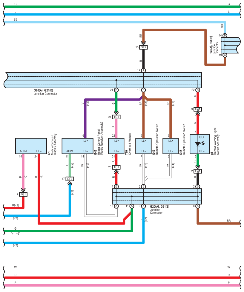
Fig 2: Illumination System Wiring Diagram (2 Of 10)
G09126696Courtesy of © TOYOTA, LICENSE AGREEMENT TMS1002
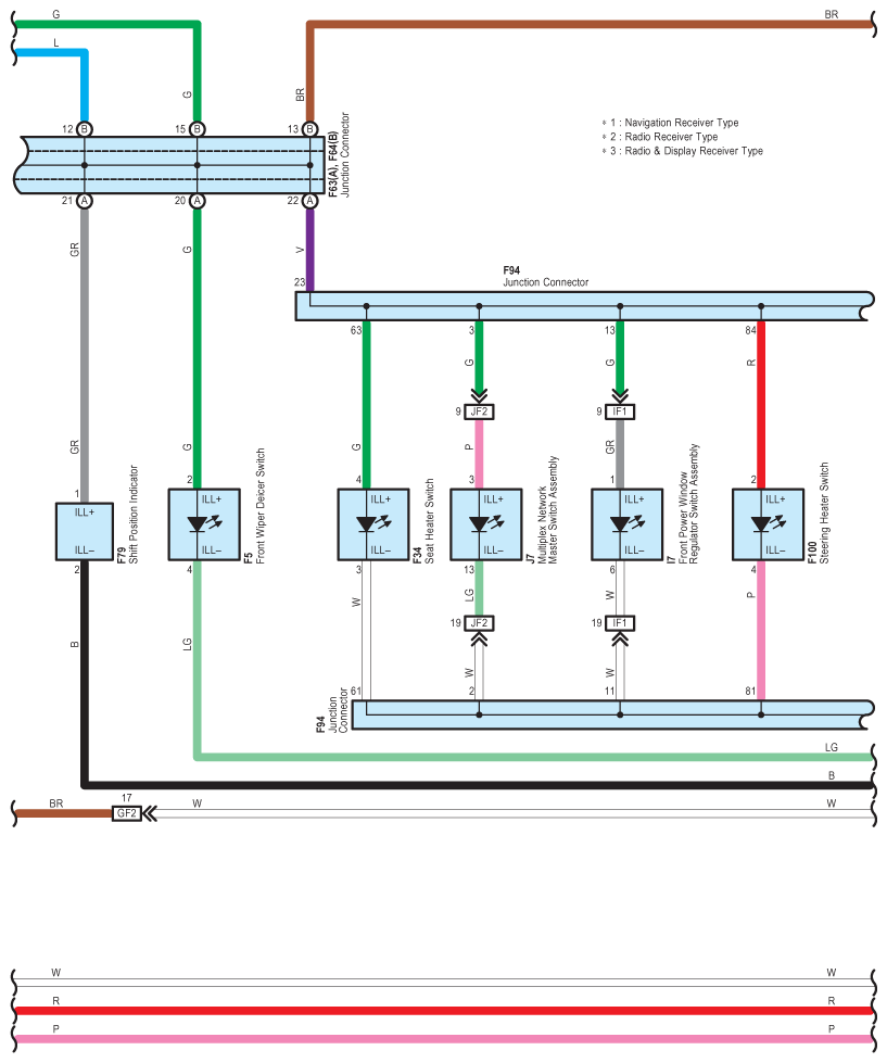
Fig 3: Illumination System Wiring Diagram (3 Of 10)
G09126697Courtesy of © TOYOTA, LICENSE AGREEMENT TMS1002
Fig 4: Illumination System Wiring Diagram (4 Of 10)
G09126698Courtesy of © TOYOTA, LICENSE AGREEMENT TMS1002
Fig 5: Illumination System Wiring Diagram (5 Of 10)
G09126699Courtesy of © TOYOTA, LICENSE AGREEMENT TMS1002
Fig 6: Illumination System Wiring Diagram (6 Of 10)
G09126700Courtesy of © TOYOTA, LICENSE AGREEMENT TMS1002
Fig 7: Illumination System Wiring Diagram (7 Of 10)
G09126701Courtesy of © TOYOTA, LICENSE AGREEMENT TMS1002
Fig 8: Illumination System Wiring Diagram (8 Of 10)
G09126702Courtesy of © TOYOTA, LICENSE AGREEMENT TMS1002
Fig 9: Illumination System Wiring Diagram (9 Of 10)
G09126703Courtesy of © TOYOTA, LICENSE AGREEMENT TMS1002
Fig 10: Illumination System Wiring Diagram (10 Of 10)
G09126704Courtesy of © TOYOTA, LICENSE AGREEMENT TMS1002