lemon-mirror:
Home >> Lexus >> 2013 >> RX 350 Base, FWD >> Repair and Diagnosis >> Electrical >> Body Electrical >> OEM System Circuits >> Sliding Roof >> Notes

Sliding Roof: Notes

Fig 1: Sliding Roof System Wiring Diagram (1 Of 5)
G09126724Courtesy of © TOYOTA, LICENSE AGREEMENT TMS1002
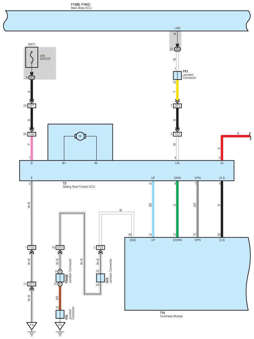
Fig 2: Sliding Roof System Wiring Diagram (2 Of 5)
G09126725Courtesy of © TOYOTA, LICENSE AGREEMENT TMS1002
Fig 3: Sliding Roof System Wiring Diagram (3 Of 5)
G09126726Courtesy of © TOYOTA, LICENSE AGREEMENT TMS1002
Fig 4: Sliding Roof System Wiring Diagram (4 Of 5)
G09126727Courtesy of © TOYOTA, LICENSE AGREEMENT TMS1002
Fig 5: Sliding Roof System Wiring Diagram (5 Of 5)
G09126728Courtesy of © TOYOTA, LICENSE AGREEMENT TMS1002