lemon-mirror:
Home >> Lexus >> 2013 >> RX 350 Base, FWD >> Repair and Diagnosis >> Electrical >> Body Electrical >> OEM System Circuits >> Trailer Towing >> Notes

Trailer Towing: Notes

Fig 1: Trailer Towing System Wiring Diagram (1 Of 3)
G09126708Courtesy of © TOYOTA, LICENSE AGREEMENT TMS1002
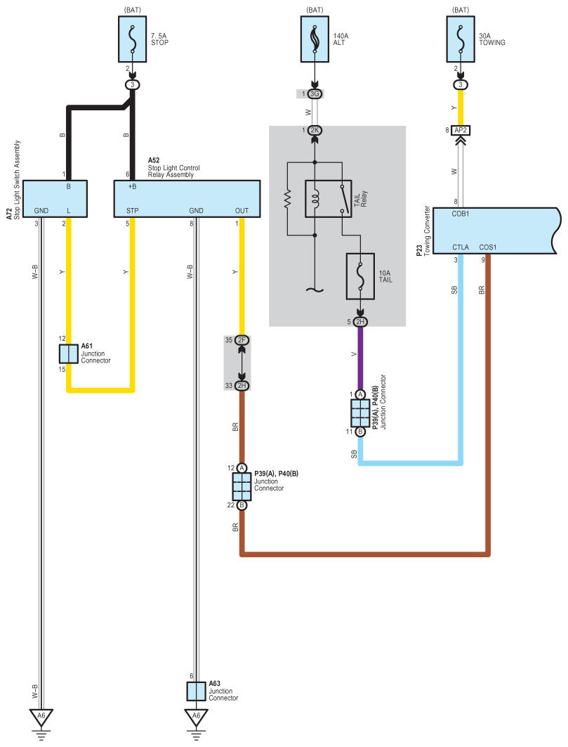
Fig 2: Trailer Towing System Wiring Diagram (2 Of 3)
G09126709Courtesy of © TOYOTA, LICENSE AGREEMENT TMS1002
Fig 3: Trailer Towing System Wiring Diagram (3 Of 3)
G09126710Courtesy of © TOYOTA, LICENSE AGREEMENT TMS1002