lemon-mirror:
Home >> Lincoln >> 1987 >> Mark VII Base >> Repair and Diagnosis >> Engine Performance >> System >> Fuel Injection System - Multi-Point >> Wiring Diagrams

Wiring Diagrams

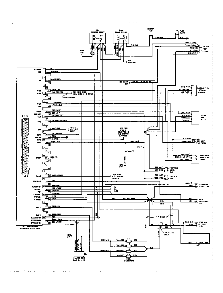
Fig 1: 1.9L MPFI System Wiring Diagram
G7694
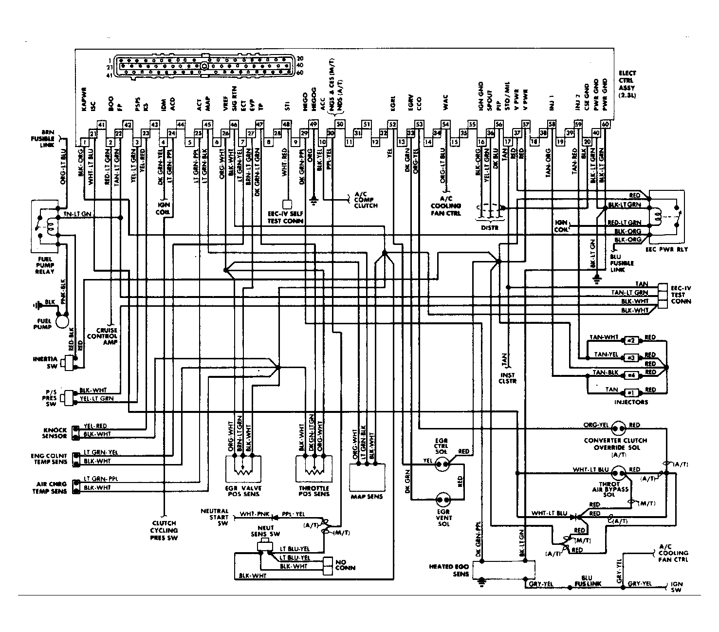
Fig 2: 2.3L MPFI System Wiring Diagram
G7695
Fig 3: 2.3L Turbo MPFI System Wiring Diagram
G7696
Fig 4: 3.0L MPFI System Wiring Diagram
G7697
Fig 5: 5.0L SPFI System Wiring Diagram
G6658