lemon-mirror:
Home >> Lincoln >> 1998 >> Navigator RWD >> Repair and Diagnosis >> Body & Frame >> Power Windows >> Component Tests >> Power Window Master Switch

Power Window Master Switch

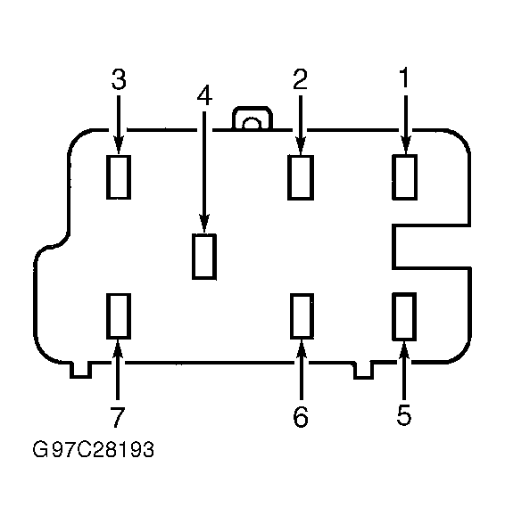
Remove master switch. See POWER WINDOW SWITCH  under REMOVAL & INSTALLATION. Check for continuity between terminals as specified while operating switch. See MASTER SWITCH TESTING table. If continuity does not exist as specified, replace switch. See Figure.

MASTER SWITCH TESTING

Switch Position Continuity Between Connectors & Terminals No.
Neutral C510-2 & C510-5; C509-3, C509-4, C509-6, C509-7, C510-4, C510-5, C510-6, C510-7 & C509-1
Left Front
Up C509-2 & C509-7; C509-1 & C509-6
Down C509-2 & C509-6; C509-1 & C509-7
Right Front
Up C509-2 & C509-3; C509-1 & C509-4
Down C509-2 & C509-4; C509-1 & C509-3
Left Rear
Up C509-2 & C510-6; C509-1 & C510-7
Down C509-2 & C510-7; C509-1 & C510-6
Right Rear
Up C509-2 & C510-5; C509-1 & C510-4
Down C509-2 & C510-4; C509-1 & C510-5