lemon-mirror:
Home >> Lincoln >> 2003 >> Aviator AWD >> Repair and Diagnosis >> External Pages >> Different car >> Section 1338 (Component Testing) >> Introduction >> Master window adjust switch >> Schematic

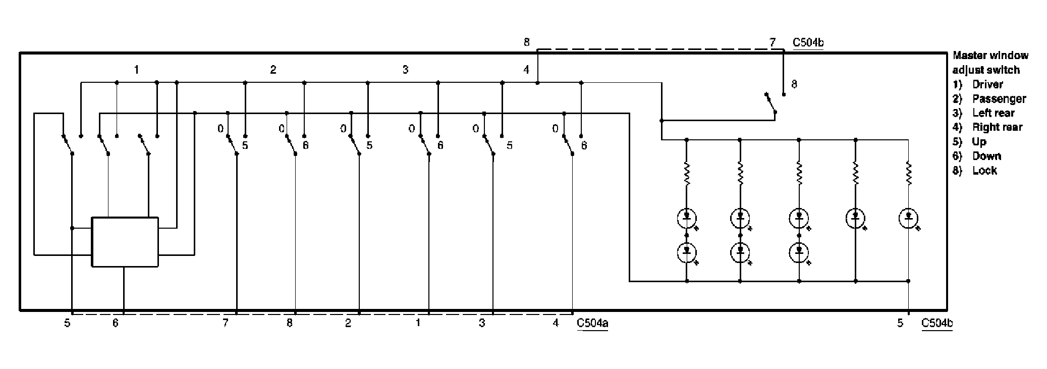
Master window adjust switch: Schematic

WARNING: This page is about a different car, the 2005 Lincoln Town Car. However, it is still accessible from the selected car via links, so may be relevant.
Fig 1: Master Window Adjust Switch - Schematic
G04013179Courtesy of FORD MOTOR CO.