lemon-mirror:
Home >> Lincoln >> 2012 >> MKS Base, AWD >> Repair and Diagnosis >> Engine Performance >> System >> O.E. Wiring Diagrams - Component Testing >> Component Testing >> Start switch >> Schematic

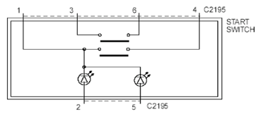
Start switch: Schematic

Fig 1: Start Switch - Component Testing
G07919674Courtesy of FORD MOTOR CO.