lemon-mirror:
Home >> Lincoln >> 2012 >> MKX FWD >> Repair and Diagnosis >> Electrical >> Body Electrical >> OEM Component Testing >> Component Testing >> Power door lock switch >> Schematic

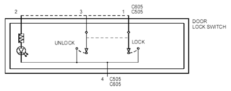
Power door lock switch: Schematic

Fig 1: Power Door Lock Switch - Component Testing
G07898827Courtesy of FORD MOTOR CO.