lemon-mirror:
Home >> Lincoln >> 2012 >> MKX FWD >> Repair and Diagnosis >> Electrical >> Body Electrical >> OEM Component Testing >> Component Testing >> Window adjust switches - Edge >> Schematic

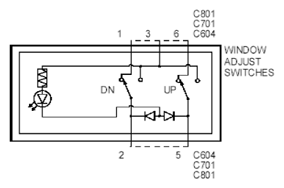
Window adjust switches - Edge: Schematic

Fig 1: Window Adjust Switches (Edge) - Component Testing
G07898815Courtesy of FORD MOTOR CO.