lemon-mirror:
Home >> Lincoln >> 2012 >> Navigator 4WD >> Repair and Diagnosis >> Steering >> Steering Column >> Diagnosis And Testing >> Steering Column >> Pinpoint Tests >> Pinpoint Test B: The Tilt Adjustment is Inoperative - Using the Memory Set Switch/Using the Remote Transmitter/Using the Easy Entry/Exit Feature >> Pinpoint Test B: The Tilt Adjustment Is Inoperative - Using The Memory Set Switch/Using The Remote Transmitter/Using The Easy Entry/Exit Feature

Pinpoint Test B: The Tilt Adjustment Is Inoperative - Using The Memory Set Switch/Using The Remote Transmitter/Using The Easy Entry/Exit Feature

NOTE: Use the Flex Probe Kit for all test connections to prevent damage to the wiring terminals. Do not use standard multi-meter probes.
  1. B1 CHECK THE OPERATION OF THE DRIVER SEAT AND THE EXTERIOR MIRRORS USING THE MEMORY SET SWITCH 
    • Observe the exterior mirrors and driver seat while recalling the memory positions using the memory SET switch.
    • Do the memory seats and mirrors move to the memory position selected? 
      • Yes  : If only the adjustable column is inoperative, GO to B2.
      • No  : If the memory seats and mirrors are also inoperative, REFER to SEATING .
  2. B2 CHECK THE OPERATION OF THE DRIVER SEAT USING THE EASY ENTRY/EXIT FEATURE 
      NOTE: Verify that the easy entry/exit feature is selected ON using the message center.
    • Observe the driver seat while using the easy entry/exit feature.
    • Does the driver seat move to the easy entry/exit positions? 
      • Yes  : GO to B3.
      • No  : REFER to SEATING .
  3. B3 CHECK THE DSM TILT UP (TILT_UP) AND TILT DOWN (TILT_DOWN) ACTIVE COMMANDS 
    • Connect the scan tool.
    • Ignition ON.
    • Enter the following diagnostic mode on the scan tool: DataLogger - DSM.
    • NOTE: When commanded, the DSM will move the steering column a maximum of one second.
    • While observing the steering column:
      • Toggle the TILT_UP active command on, then off.
      • Toggle the TILT_DOWN active command on, then off.
    • Does the steering column move in the appropriate direction when commanded? 
      • Yes  : The system is operating correctly at this time. The concern may have been caused by a loose connector. CHECK the power tilt motor connector, the power tilt switch connector and the DSM connectors for looseness. CLEAR the DTCs. REPEAT the self-test.
      • No  : GO to B4.
  4. B4 CHECK THE POWER TILT MOTOR CIRCUITS FOR AN OPEN 
    • Ignition OFF.
    • Disconnect: DSM C341C.
    • Disconnect: Power Tilt Motor C227.
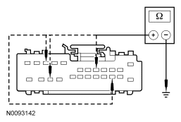
    • Measure the resistance between DSM C341C, harness side and the power tilt motor C227, harness side as indicated in the following chart:
      DSM Circuit Power Tilt Motor
      C341C-22 CPP05 (WH/VT) C227-1
      C341C-10 CPP04 (GY) C227-3
      C341C-15 RPP06 (GN) C227-4
      C341C-5 VPP17 (VT/BN) C227-2
      Fig 1: Measuring Resistance Between DSM C341C And Power Tilt Motor C227
      G06126004Courtesy of FORD MOTOR CO.
    • Are the resistances less than 5 ohms? 
      • Yes  : GO to B5.
      • No  : REPAIR the affected circuit(s). CLEAR the DTCs. REPEAT the self-test.
  5. B5 CHECK THE POWER TILT MOTOR CIRCUITS FOR A SHORT TO GROUND 
    • Measure the resistance between ground and:
      • DSM C341C-15, circuit RPP06 (GN), harness side.
      • DSM C341C-5, circuit VPP17 (VT/BN), harness side.
      • DSM C341C-10, circuit CPP04 (GY), harness side.
      • DSM C341C-22, circuit CPP05 (WH/VT), harness side.
      Fig 2: Measuring Resistance Between DSM C341C-15 And Ground
      G06126005Courtesy of FORD MOTOR CO.
    • Are the resistances greater than 10, 000 ohms? 
      • Yes  : GO to B6.
      • No  : REPAIR the affected circuit(s). CLEAR the DTCs. REPEAT the self-test.
  6. B6 CHECK THE POWER TILT MOTOR CIRCUITS FOR A SHORT TO VOLTAGE 
    • Ignition ON.
    • Measure the voltage between ground and:
      • DSM C341C-15, circuit RPP06 (GN), harness side.
      • DSM C341C-5, circuit VPP17 (VT/BN), harness side.
      • DSM C341C-10, circuit CPP04 (GY), harness side.
      • DSM C341C-22, circuit CPP05 (WH/VT), harness side.
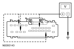
      Fig 3: Measuring Voltage Between DSM C341C-15 And Ground
      G06126006Courtesy of FORD MOTOR CO.
    • Is any voltage present? 
      • Yes  : REPAIR the affected circuit(s). CLEAR the DTCs. REPEAT the self-test.
      • No  : GO to B7.
  7. B7 CHECK THE POWER TILT MOTOR OPERATION 
    • Ignition OFF.
    • Connect a fused jumper wire between power tilt motor C227-1, component side and the battery positive terminal. Momentarily connect a jumper wire between power tilt motor C227-3, component side.
    • Connect a fused jumper wire between power tilt motor C227-3, component side and the battery positive terminal. Momentarily connect a jumper wire between power tilt motor C227-1, component side.
    • Does the power tilt motor operate first in one direction and then in the opposite direction? 
      • Yes  : GO to B8.
      • No  : INSTALL a new power tilt motor. REFER to Steering Column Motor . CLEAR the DTCs. REPEAT the self-test.
  8. B8 CHECK THE DSM CONNECTOR 
    • Check DSM C341C for:
      • corrosion.
      • pushed-out pins.
      • spread terminals.
    • Connect: DSM C341C.
    • Connect: Power Tilt Motor C227.
    • Make sure the connectors are seated correctly, then operate the system and verify the concern is still present.
    • Is the concern still present? 
      • Yes  : INSTALL a new DSM. REFER to MULTIFUNCTION ELECTRONIC MODULES . CLEAR the DTCs. REPEAT the self-test.
      • No  : The system is operating correctly at this time. Concern may have been caused by a loose or corroded connector.