lemon-mirror:
Home >> Mazda >> 1977 >> Cosmo Automatic Trans >> Repair and Diagnosis >> Engine Performance >> Wiring Diagrams >> Wiring Diagram

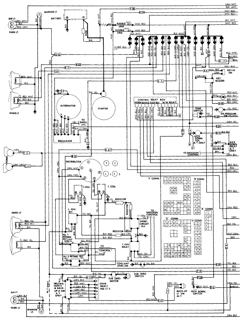
Wiring Diagrams: Wiring Diagram

Fig 1: Wiring Diagram - Cosmo (1 of 2)
G09303308Courtesy of MAZDA MOTORS CORP.
Fig 2: Wiring Diagram - Cosmo (2 of 2)
G09303309Courtesy of MAZDA MOTORS CORP.