lemon-mirror:
Home >> Mazda >> 1979 >> B2000 Base >> Repair and Diagnosis >> Engine Performance >> Wiring Diagrams >> Wiring Diagram

Wiring Diagrams: Wiring Diagram

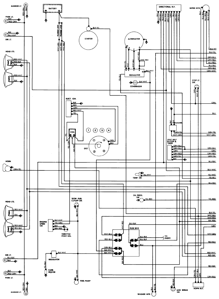
Fig 1: Wiring Diagram - B2000 Pickup (1 of 2)
G09303768Courtesy of MAZDA MOTORS CORP.
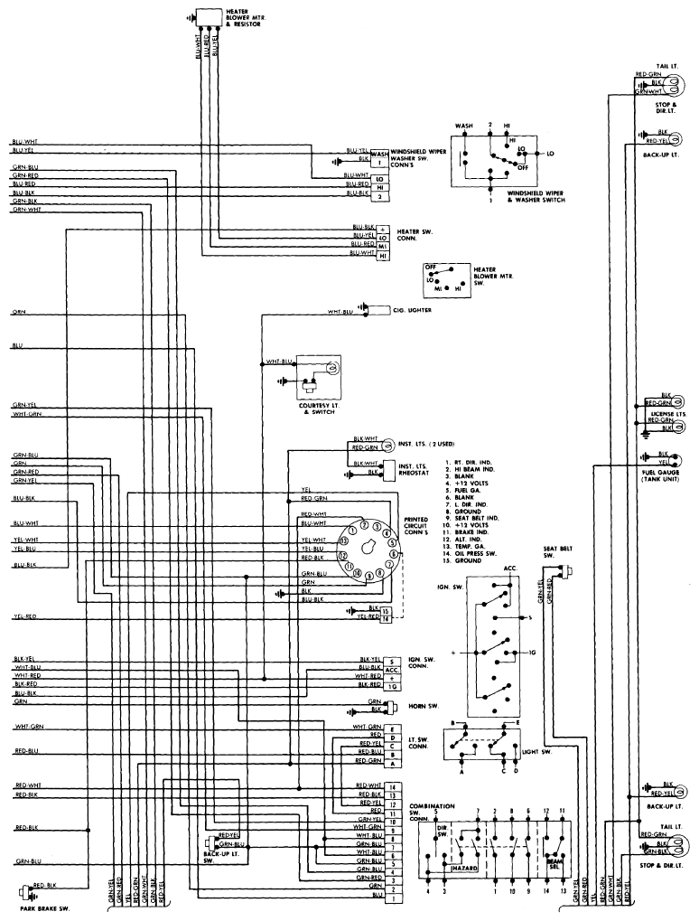
Fig 2: Wiring Diagram - B2000 Pickup (2 of 2)
G09303769Courtesy of MAZDA MOTORS CORP.