lemon-mirror:
Home >> Mazda >> 1982 >> B2200 >> Repair and Diagnosis >> Engine Performance >> Fuel Delivery >> Diesel Fuel Injection >> Operation >> Injectors

Diesel Fuel Injection: Operation: Injectors

The injection nozzles spray fuel into a prechamber as each compression stroke occurs. Nozzles can be disassembled, cleaned and adjusted to correct improper spray patterns.

Injector opening pressure is adjusted with a shim on top of the needle valve return spring. See Fig 3. The injector receives a high pressure pulse of fuel which forces open the needle valve allowing the fuel to pass into the prechamber.

Fig 1: Diesel Kiki Diesel Fuel Injection Pump
G09315405Courtesy of MAZDA MOTORS CORP.

Shop disassembly of injection pump is not recommended. 

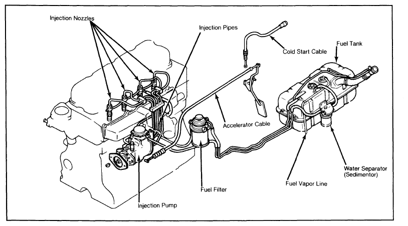
Fig 2: Mazda B2200 Fuel System
G09315406Courtesy of MAZDA MOTORS CORP.

Bleed air from system whenever fuel lines are opened. 

Fig 3: Mazda B2200 Injector
G09315407Courtesy of MAZDA MOTORS CORP.

Injector must be free of dirt prior to reassembly.