lemon-mirror:
Home >> Mazda >> 1990 >> RX-7 Base, Automatic >> Repair and Diagnosis >> Electrical >> Component Locations >> Electrical Component Locator >> Component Location Graphics

Component Location Graphics

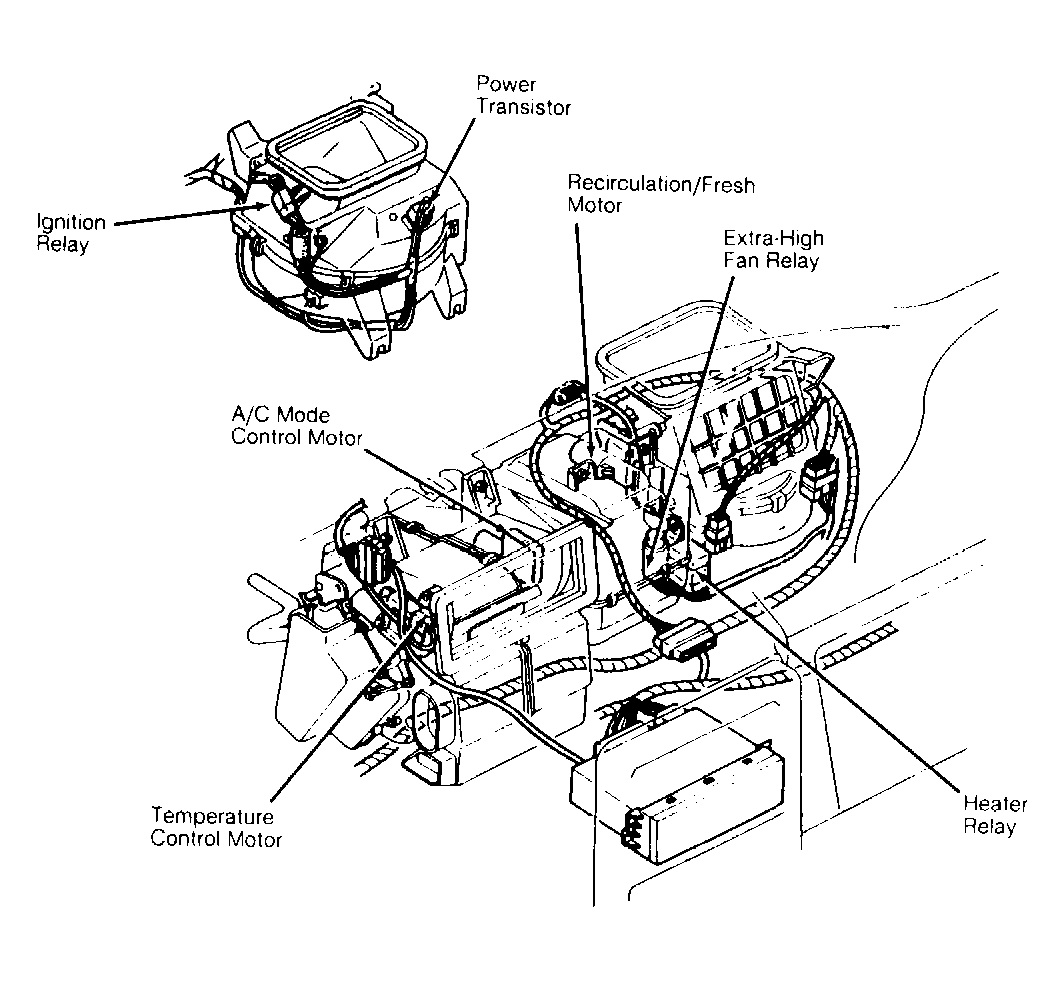
NOTE: Figures may show multiple component locations. Refer to appropriate table for proper figure references.
Fig 1: Component Locations (1 Of 3)
G90E02256
Fig 2: Component Locations (2 Of 3)
G90I02258
Fig 3: Component Locations (3 Of 3)
G90G02257