lemon-mirror:
Home >> Mazda >> 1992 >> 929 >> Repair and Diagnosis >> Engine Performance >> Vacuum Diagrams >> Introduction

Vacuum Diagrams: Introduction

This article contains underhood views or schematics of vacuum hose routing. Use these vacuum diagrams during the visual inspection in BASIC TESTING article. This will assist in identifying improperly routed vacuum hoses which cause driveability and/or computer indicated malfunctions.

Fig 1: Vacuum System Schematic (B2200 2.2L Carbureted)
G91D16678Courtesy of MAZDA MOTORS CORP.
Fig 2: Vacuum Hose Routing Diagram (B2200 2.2L Carbureted)
G91E16687Courtesy of MAZDA MOTORS CORP.
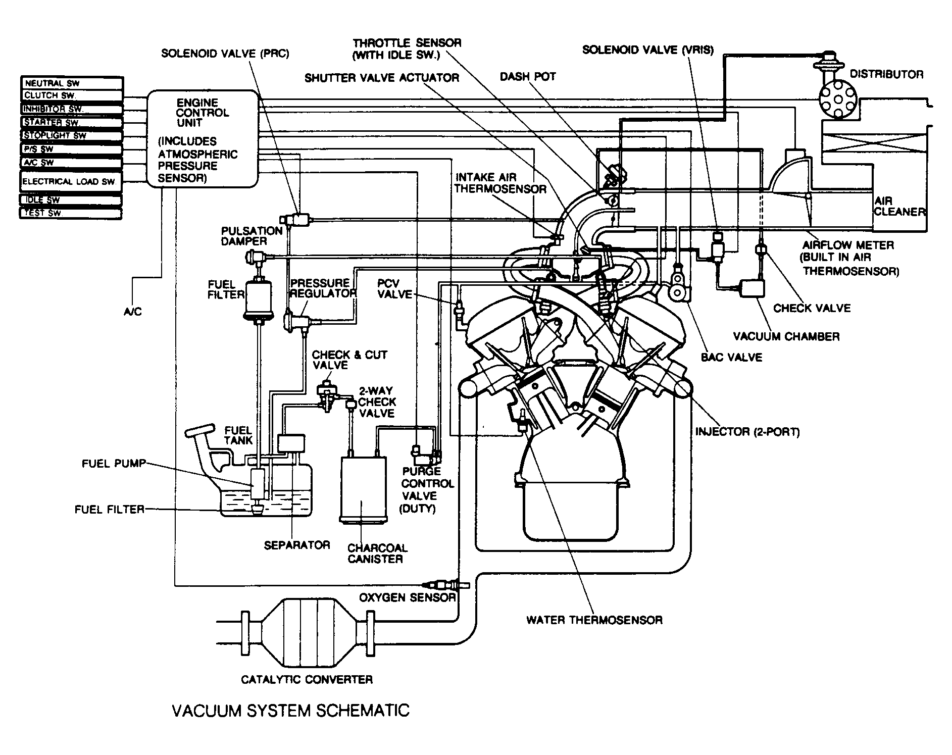
Fig 3: Vacuum System Schematic (B2200 2.2L PFI & B2600i 2.6L)
G91E16679Courtesy of MAZDA MOTORS CORP.
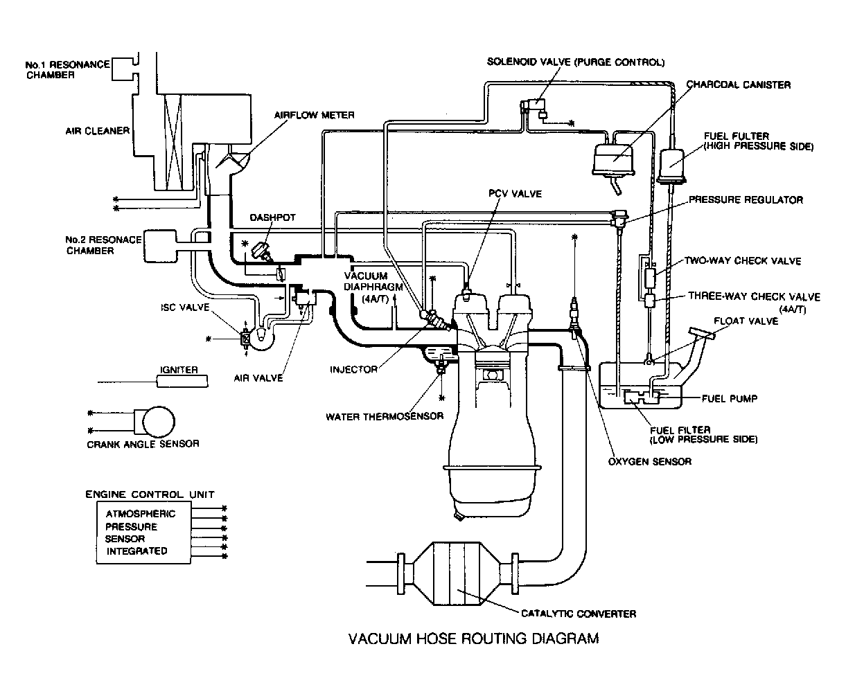
Fig 4: Vacuum Hose Routing Diagram (B2200 2.2L PFI & B2600i 2.6L)
G91F16688Courtesy of MAZDA MOTORS CORP.
Fig 5: Vacuum System Schematic (Miata 1.6L)
G91H16680Courtesy of MAZDA MOTORS CORP.
Fig 6: Vacuum Hose Routing Diagram (Miata 1.6L)
G90A14811Courtesy of MAZDA MOTORS CORP.
Fig 7: Vacuum System Schematic (MPV 2.6L)
G91I16681Courtesy of MAZDA MOTORS CORP.
Fig 8: Vacuum Hose Routing Diagram (MPV 2.6L)
G91G16689Courtesy of MAZDA MOTORS CORP.
Fig 9: Vacuum System Schematic (MPV 3.0L)
G91J16682Courtesy of MAZDA MOTORS CORP.
Fig 10: Vacuum Hose Routing Diagram (MPV 3.0L)
G92E24970Courtesy of MAZDA MOTORS CORP.
Fig 11: Vacuum System Schematic (MX-3 1.6L)
G92F24971Courtesy of MAZDA MOTORS CORP.
Fig 12: Vacuum Hose Routing Diagram (MX-3 1.6L)
G92G24972Courtesy of MAZDA MOTORS CORP.
Fig 13: Vacuum System Schematic (MX-3 1.8L)
G92H24973Courtesy of MAZDA MOTORS CORP.
Fig 14: Vacuum Hose Routing Diagram (MX-3 1.8L)
G92I24974Courtesy of MAZDA MOTORS CORP.
Fig 15: Vacuum System Schematic (MX-6 & 626 2.2L Non-Turbo)
G91A16683Courtesy of MAZDA MOTORS CORP.
Fig 16: Vacuum Hose Routing Diagram (MX-6 & 626 2.2L Non-Turbo)
G91B17211Courtesy of MAZDA MOTORS CORP.
Fig 17: Vacuum System Schematic (MX-6 & 626 2.2L Turbo)
G90B14812Courtesy of MAZDA MOTORS CORP.
Fig 18: Vacuum Hose Routing Diagram (MX-6 & 626 2.2L Turbo)
G90C14813Courtesy of MAZDA MOTORS CORP.
Fig 19: Vacuum Hose Routing Diagram (Navajo 4.0L)
G91D17213Courtesy of FORD MOTOR CO.
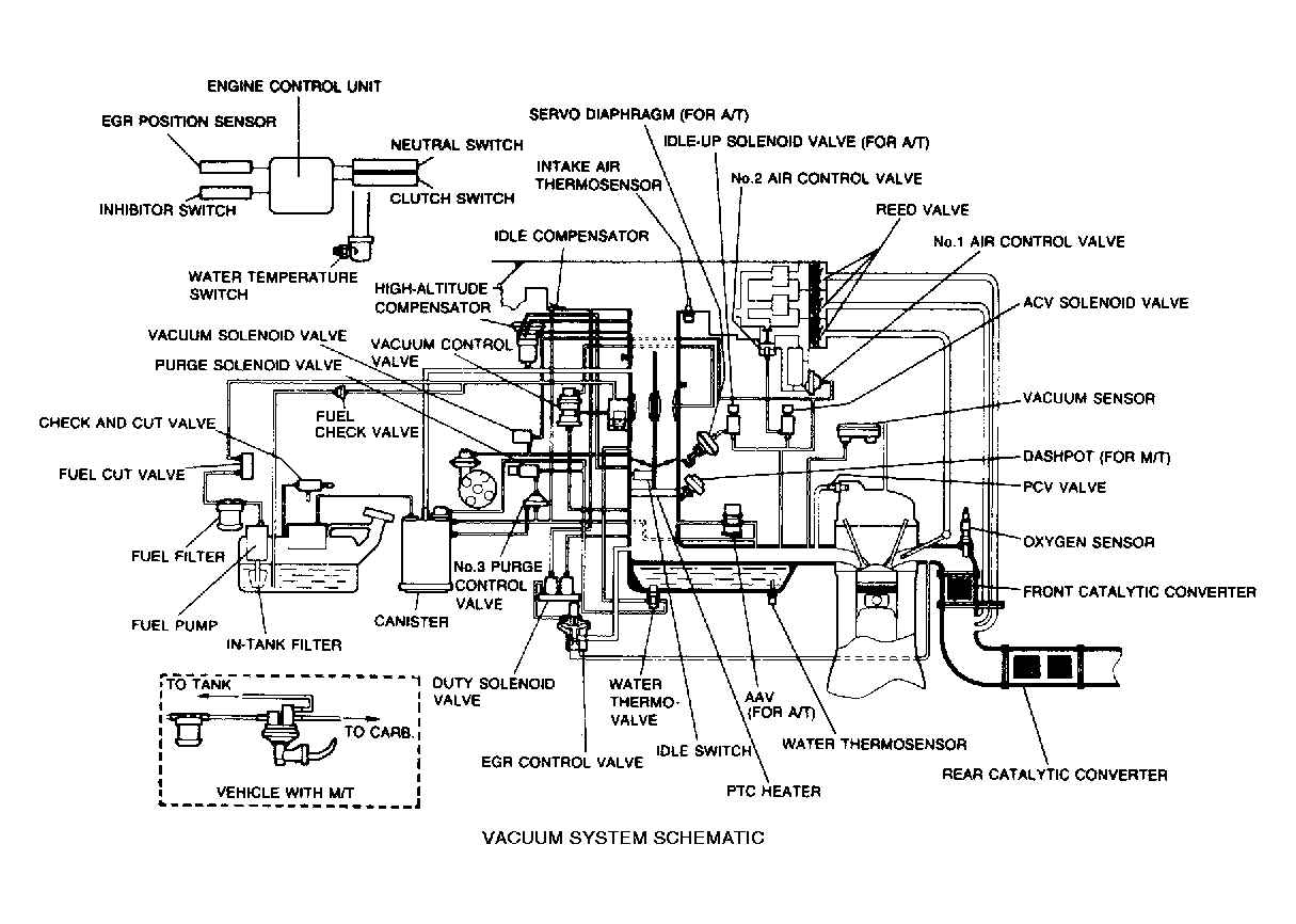
Fig 20: Vacuum System Schematic (Protege 1.8L & 323 1.6L)
G90D14814Courtesy of MAZDA MOTORS CORP.
Fig 21: Vacuum Hose Routing Diagram (Protege 1.8L & 323 1.6L)
G90E14815Courtesy of MAZDA MOTORS CORP.
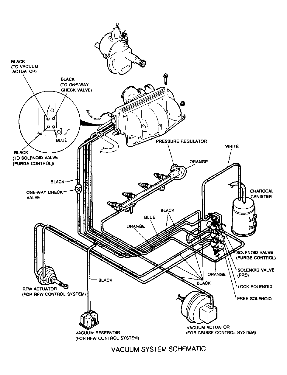
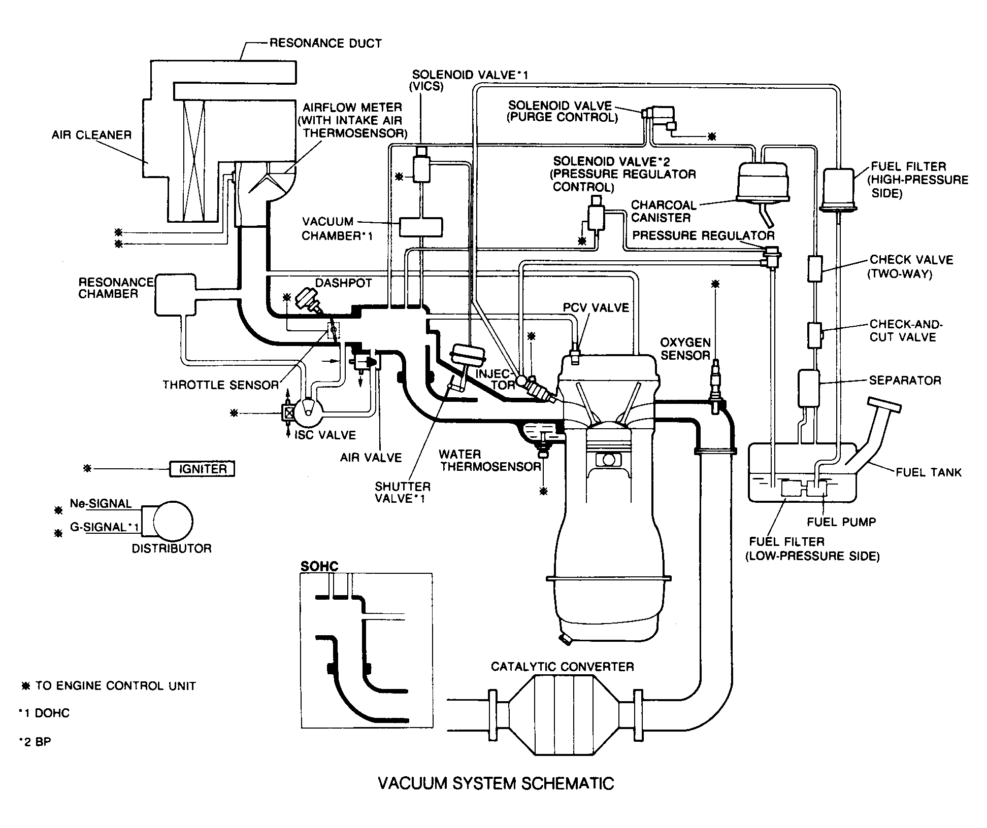
Fig 22: Vacuum System Schematic (929 3.0L)
G92J24975Courtesy of MAZDA MOTORS CORP.
Fig 23: Vacuum Hose Routing Diagram (929 3.0L)
G92A24976Courtesy of MAZDA MOTORS CORP.