lemon-mirror:
Home >> Mazda >> 1993 >> RX-7 Automatic >> Repair and Diagnosis >> Engine Performance >> System >> Engine Controls - Tests W/Codes >> Trouble Code Identification >> Code 71: (Injector - Front Secondary)

Code 71: (Injector - Front Secondary)

Fig 1: Trouble Code No. 71 - Diagnostic Flowchart
G93C80673Courtesy of MAZDA MOTORS CORP.
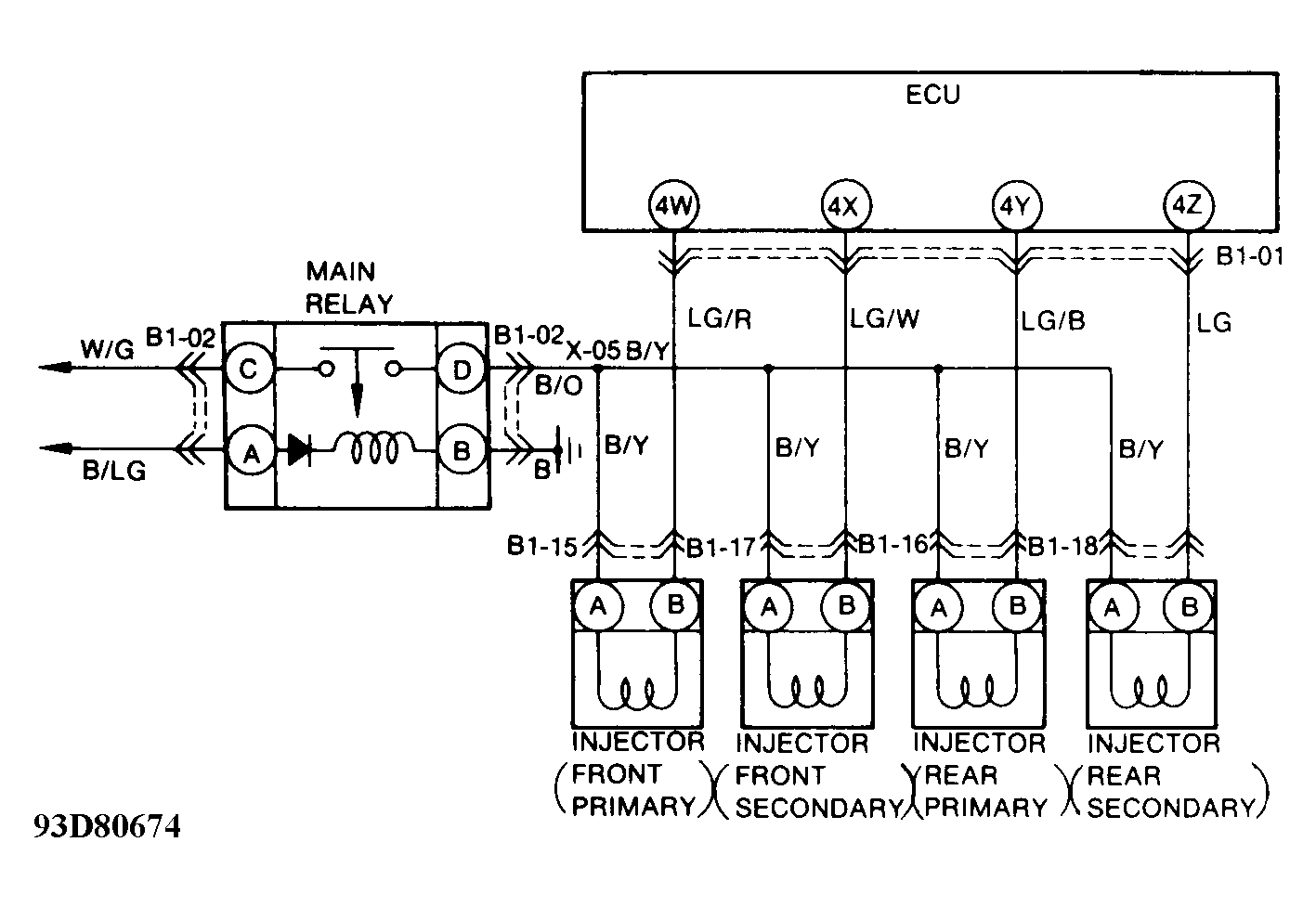
Fig 2: Trouble Code No. 71 - Schematic
G93D80674Courtesy of MAZDA MOTORS CORP.