lemon-mirror:
Home >> Mazda >> 1994 >> RX-7 Automatic >> Repair and Diagnosis >> Engine Performance >> System >> Engine Controls - Tests W/Codes >> Code Charts >> Code 50: (Sol Valve - Double Throttle Control)

Code 50: (Sol Valve - Double Throttle Control)

Fig 1: Trouble Code No. 50 Diagnostic Chart (RX7) (Solenoid Valve - Double Throttle Control)
G93E80667
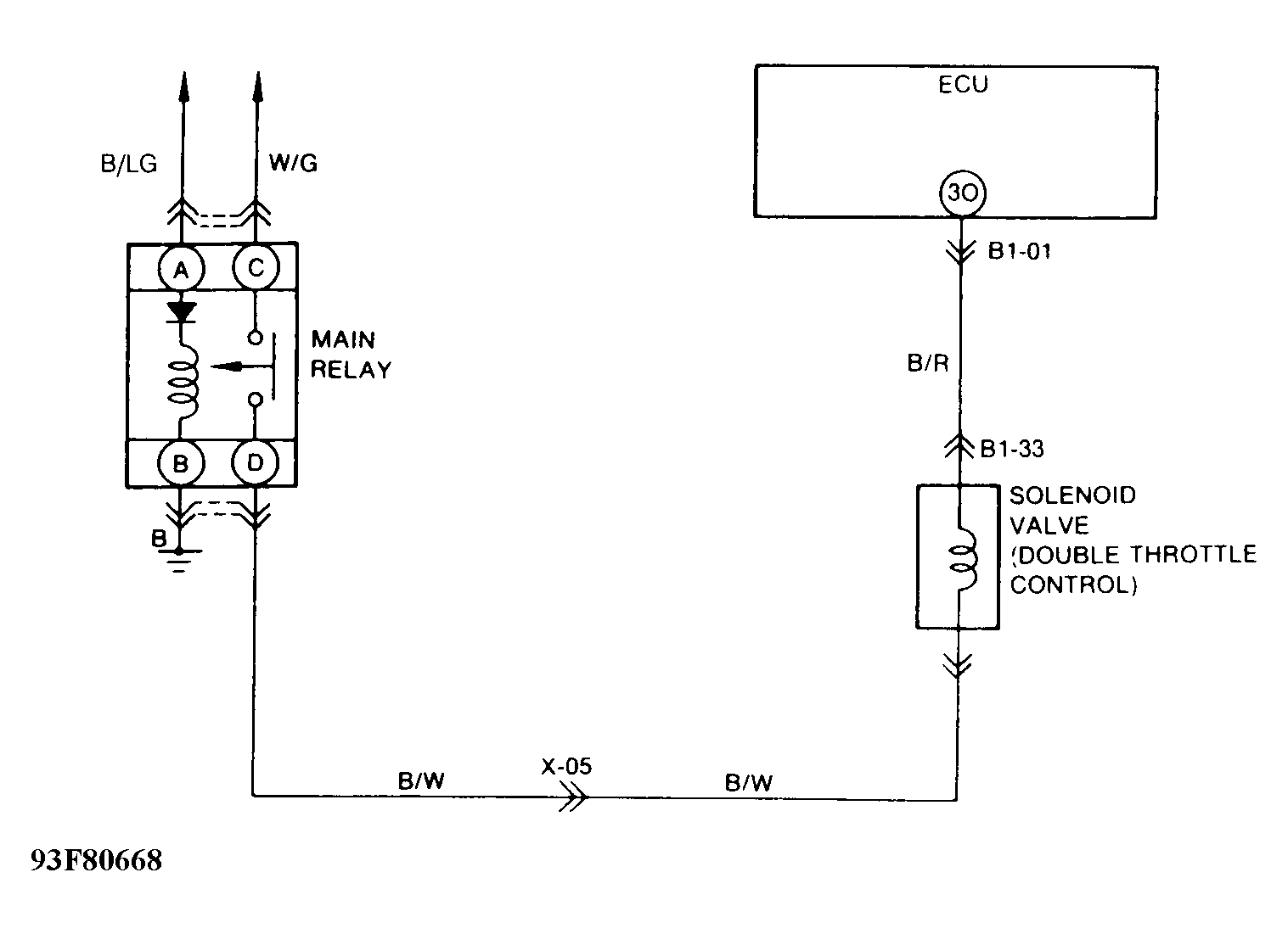
Fig 2: Trouble Code No. 50 Schematic (RX7) (Solenoid Valve - Double Throttle Control)
G93F80668