lemon-mirror:
Home >> Mazda >> 1995 >> 929 >> Repair and Diagnosis >> Body & Frame >> Door Locks >> Anti-Theft System >> Component Testing >> Flasher Unit

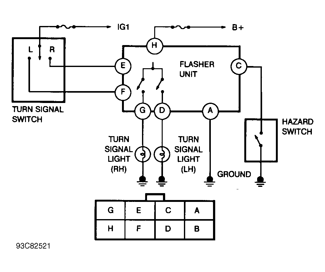
Flasher Unit

If turn signal and/or hazard flasher operation is incorrect, check for faults in circuits leading to flasher unit. SeeFig 1 . If no faults are found, replace flasher unit.

Fig 1: Flasher Unit Circuit Diagram/Connector Terminals
G93C82521Courtesy of MAZDA MOTORS CORP.