lemon-mirror:
Home >> Mazda >> 1995 >> 929 >> Repair and Diagnosis >> Body & Frame >> Door Locks >> Anti-Theft System >> Component Testing >> Headlight Relay

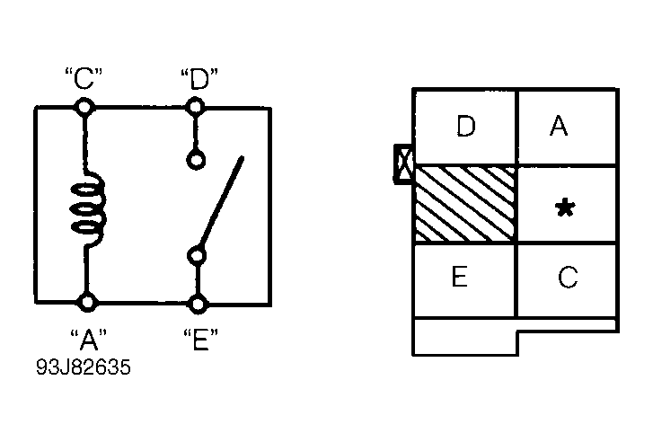
Headlight Relay

  1. Remove headlight relay. Check continuity between headlight relay terminals "D" and "E". SeeFig 1 . If continuity does not exist, go to next step. If continuity exists, replace headlight relay.
  2. Apply battery voltage to headlight relay terminal "A" and ground terminal "C". Check continuity between headlight relay terminals "D" and "E". If continuity exists, headlight relay is okay. If continuity does not exist, replace headlight relay.
Fig 1: Identifying Headlight Relay Terminals
G93J82635Courtesy of MAZDA MOTORS CORP.