lemon-mirror:
Home >> Mazda >> 1995 >> 929 >> Repair and Diagnosis >> Engine Performance >> Vacuum Diagrams >> Introduction

Vacuum Diagrams: Introduction

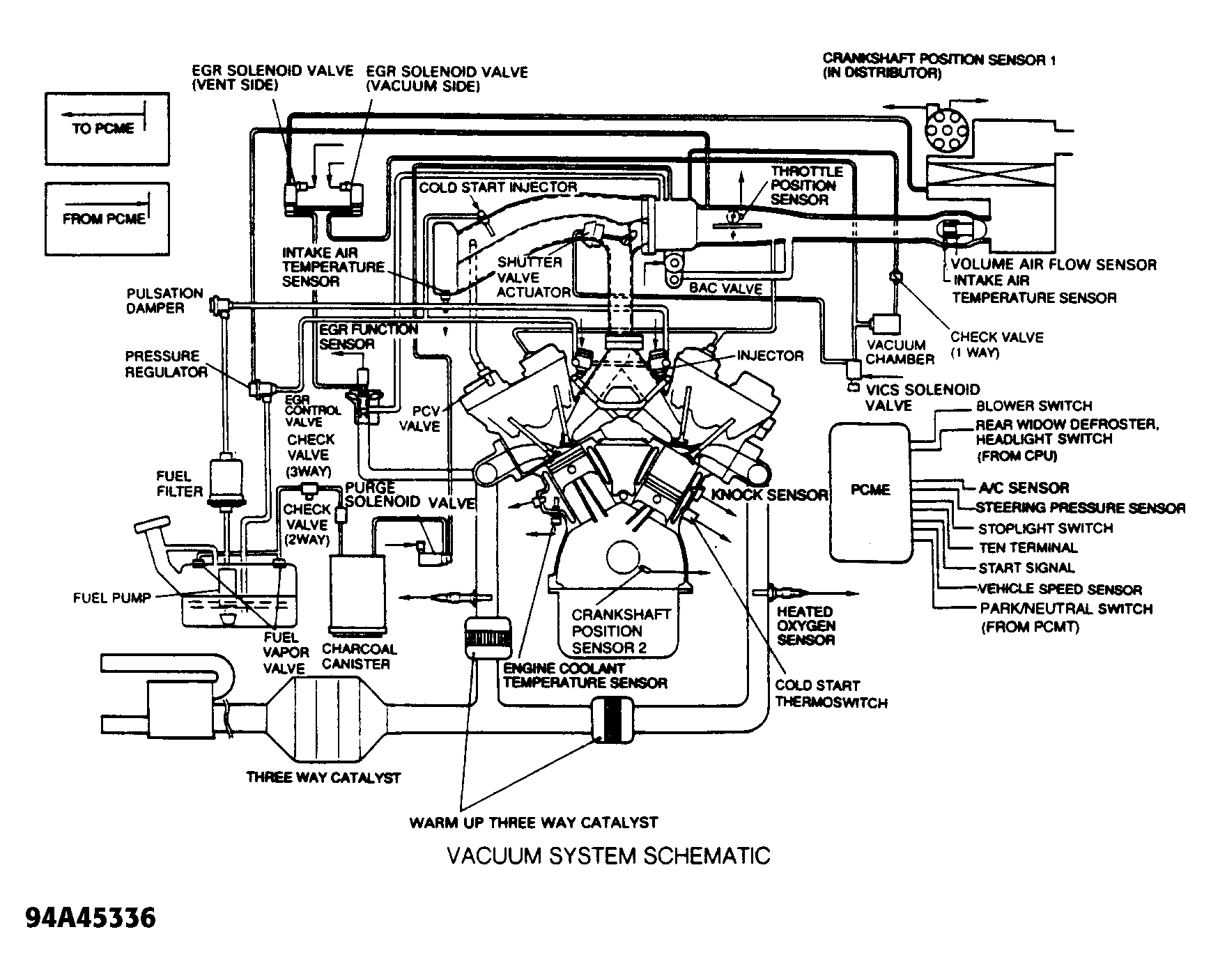
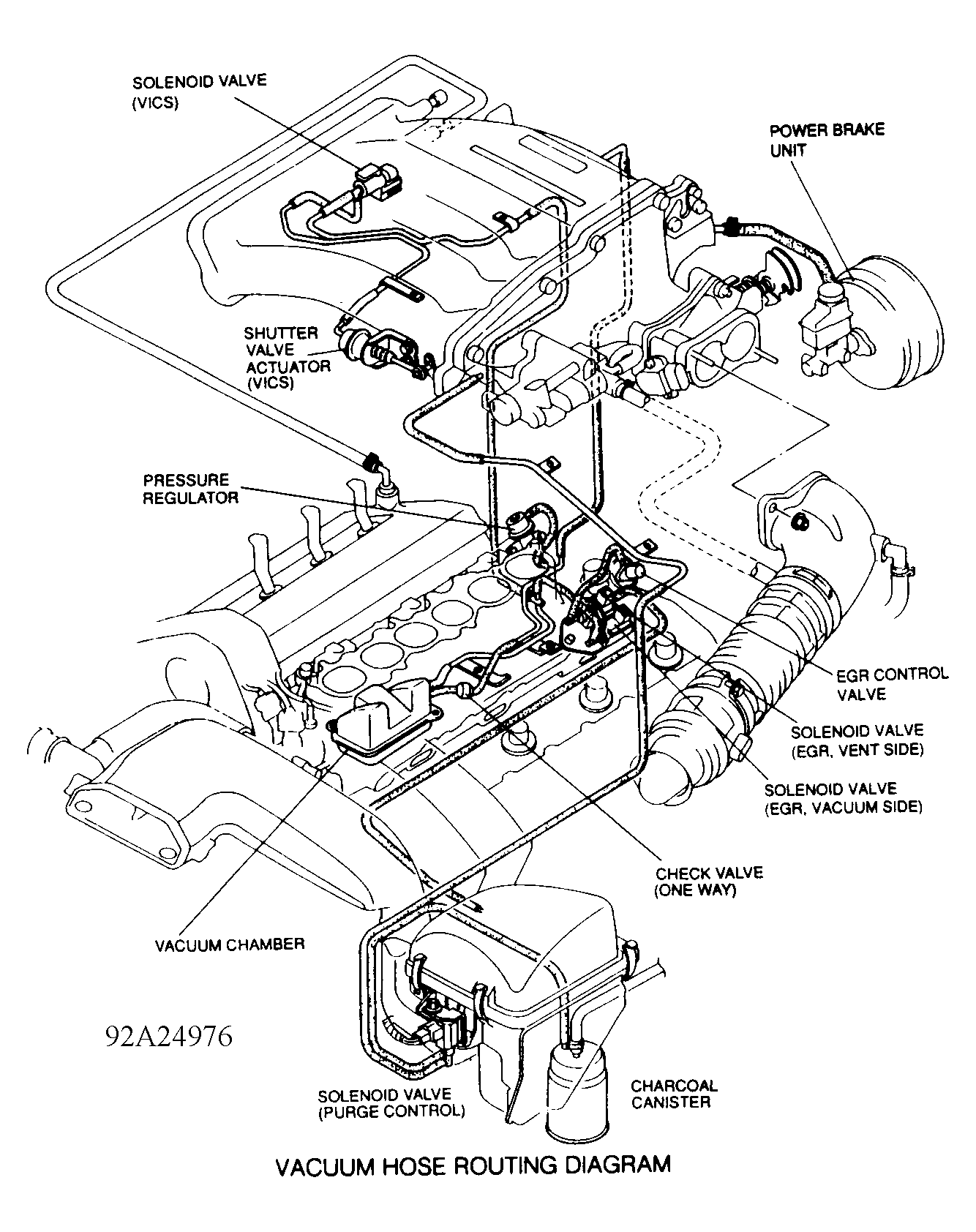
This article contains underhood views or schematics of vacuum hose routing. Use these vacuum diagrams during the visual inspection in BASIC TESTING article. This will assist in identifying improperly routed vacuum hoses which cause driveability and/or computer indicated malfunctions.

Fig 1: Vacuum Diagram System Schematic
G94A45336Courtesy of MAZDA MOTORS CORP.
Fig 2: Vacuum Diagram Hose Routing
G92A24976Courtesy of MAZDA MOTORS CORP.