lemon-mirror:
Home >> Mazda >> 1995 >> MX-3 Automatic >> Repair and Diagnosis >> Brakes >> Traction Control >> Anti-Lock Brake System >> Component Testing >> Motor Relay

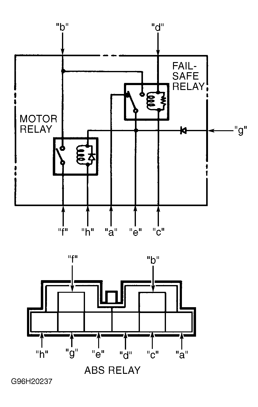
Motor Relay

NOTE: Motor relay is part of ABS relay. If motor relay is defective, replace ABS relay.
  1. Using ohmmeter, measure resistance between terminals "E" and "H", or between terminals "A" and "H" of ABS relay. See Figure . Resistance should be 50-90 ohms. If resistance is not as specified, replace ABS relay. If resistance is as specified, go to next step.
  2. Using ohmmeter, check continuity between terminals "B" and "F" of ABS relay. Continuity should not exist. If continuity is not as specified, replace ABS relay. If continuity is as specified, go to next step.
  3. Apply 12 volts to terminal "G" and ground terminal "H" of ABS relay. See Figure . Using ohmmeter, check continuity between terminals "B" and "F" of ABS relay. Continuity should exist. If continuity is not as specified, replace ABS relay.