lemon-mirror:
Home >> Mazda >> 1995 >> MX-5 Miata Base, Automatic >> Repair and Diagnosis >> Engine Performance >> System >> Engine Controls - Tests W/Codes >> Trouble Code Charts >> Code 1: Ignition Signal

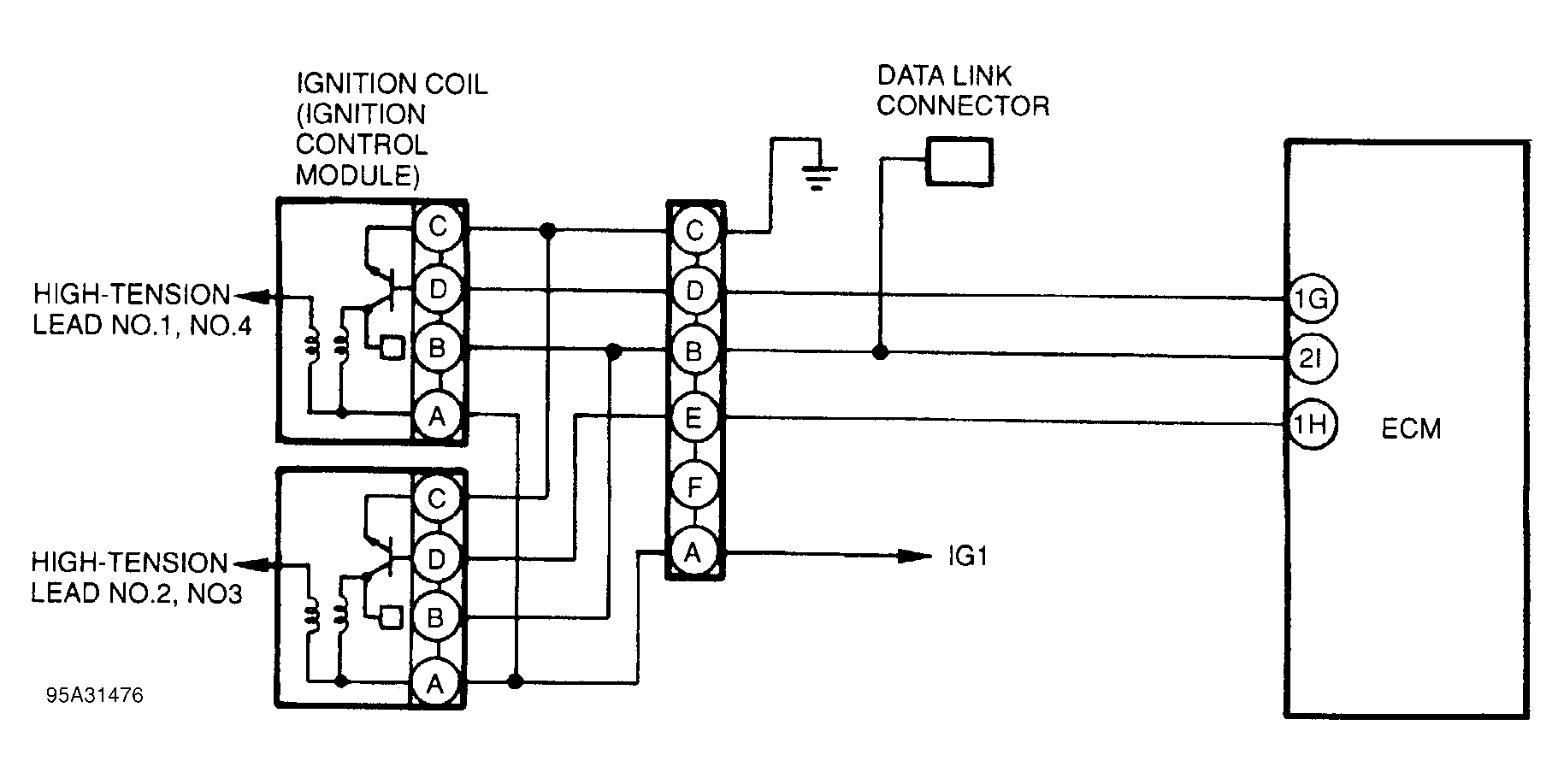
Code 1: Ignition Signal

Fig 1: Trouble Code No. 1 Ignition Signal
G95J31475
Fig 2: Trouble Code No. 1 Ignition System Circuit Diagram
G95A31476