lemon-mirror:
Home >> Mazda >> 2000 >> MPV DX >> Repair and Diagnosis >> External Pages >> Different car >> Section 249 (Automatic Transmission [Shift Mechanism)) >> Selector Lever Removal/Installation >> Notes

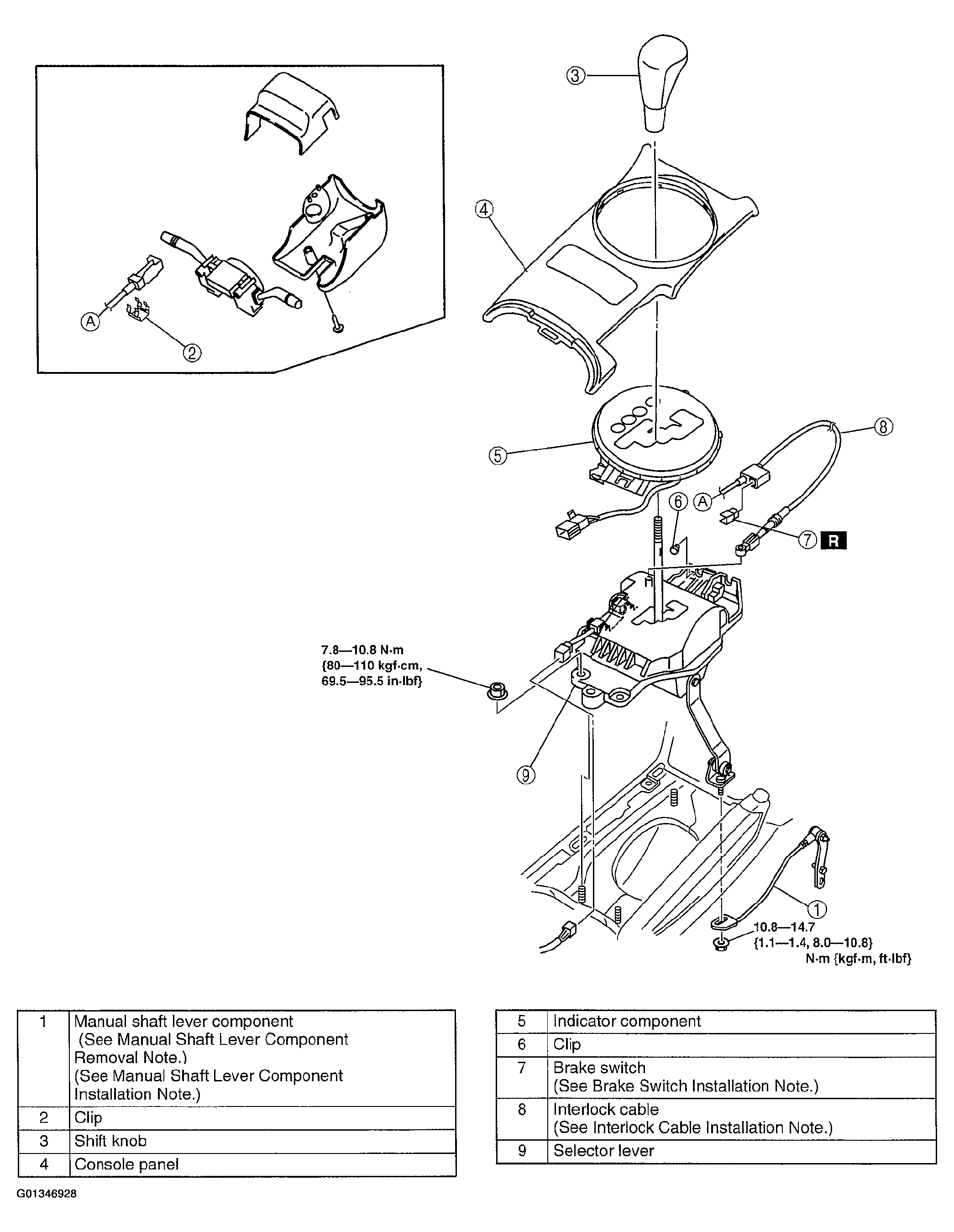
Selector Lever Removal/Installation: Notes

WARNING: This page is about a different car, the 2004 Mazda RX-8. However, it is still accessible from the selected car via links, so may be relevant.
  1. Remove the engine cover.
  2. Remove the battery cover.
  3. Disconnect the negative battery cable.
  4. Remove the following parts.
    1. Ashtray

      (See CONSOLE REMOVAL/INSTALLATION .)

    2. Console

      (See CONSOLE REMOVAL/INSTALLATION .)

    3. Glove compartment

      (See GLOVE COMPARTMENT REMOVAL/INSTALLATION .)

    4. Side panel

      (See SIDE PANEL REMOVAL/INSTALLATION .)

    5. Lower panel

      (See LOWER PANEL REMOVAL/INSTALLATION .)

    6. Column cover

      (See COLUMN COVER REMOVAL/INSTALLATION .)

    7. Drive-side air bag module

      (See DUAL-STAGE DRIVER-SIDE AIR BAG MODULE .)

    8. Steering shaft

      (See STEERING WHEEL & COLUMN REMOVAL/INSTALLATION .)

    9. A-pillar trim

      (See A-PILLAR TRIM REMOVAL/INSTALLATION .)

    10. Dashboard

      (See DASHBOARD REMOVAL/INSTALLATION .)

    11. SAS control module

      (See SAS CONTROL MODULE .)

    12. Exhaust pipe

      (See EXHAUST SYSTEM REMOVAL/INSTALLATION .)

  5. Shift the selector lever to the P position.
  6. Remove in the order indicated in the table.
  7. Install in the reverse order of removal.
  8. After installation, carry out the shift lock inspection and key interlock inspection.

    (See SHIFT LOCK INSPECTION .)

    (See KEY INTERLOCK INSPECTION .)

    Fig 1: Removing/Installing Selector Lever
    G01346928Courtesy of MAZDA MOTORS CORP.