lemon-mirror:
Home >> Mazda >> 2001 >> MPV ES >> Repair and Diagnosis >> Transmission >> Automatic Trans >> Overhaul >> Automatic Transaxle Assembly >> Components

Automatic Transaxle Assembly: Components

Fig 1: Installing Transmission Components (1 Of 4)
G03186295
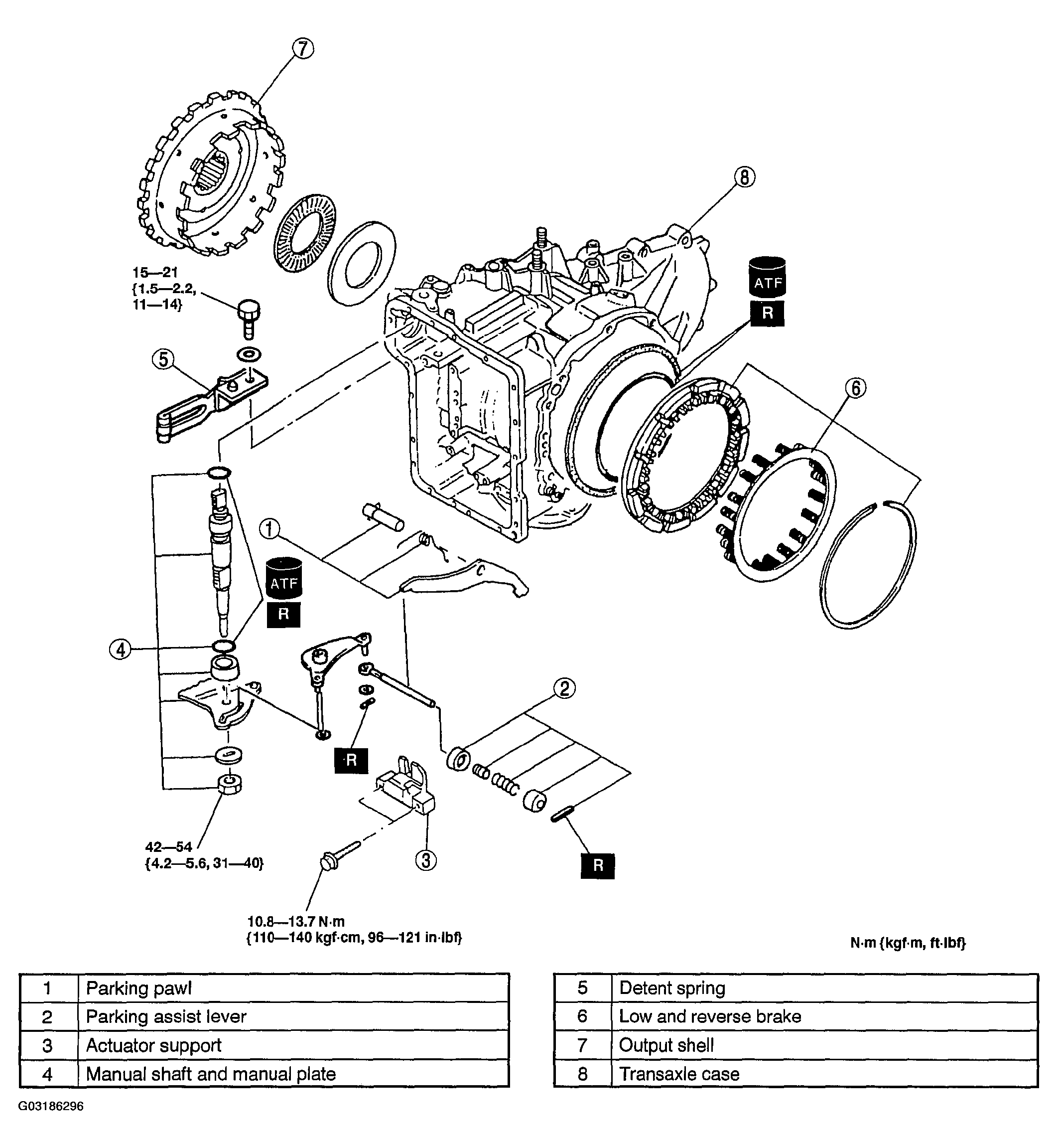
Fig 2: Installing Transmission Components (2 Of 4)
G03186296
Fig 3: Installing Transmission Components (3 Of 4)
G03186297
Fig 4: Installing Transmission Components (4 Of 4)
G03186298