lemon-mirror:
Home >> Mazda >> 2001 >> MPV ES >> Repair and Diagnosis >> Transmission >> Automatic Trans >> Overhaul >> Automatic Transaxle Disassembly >> Disassembly Components

Disassembly Components

Fig 1: Removing Transaxle Components (1 Of 4)
G03186135
Fig 2: Removing Transaxle Components (2 Of 4)
G03186136
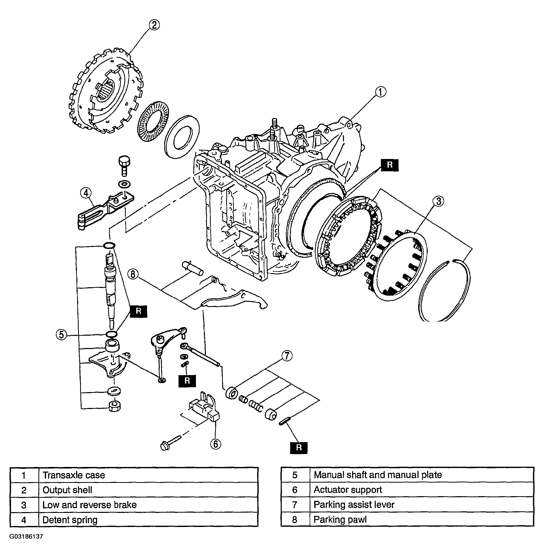
Fig 3: Removing Transaxle Components (3 Of 4)
G03186137
Fig 4: Removing Transaxle Components (4 Of 4)
G03186138