lemon-mirror:
Home >> Mazda >> 2002 >> B2300 Automatic >> Repair and Diagnosis >> Suspension >> Front Suspension System >> Front Suspension Components

Front Suspension Components

Fig 1: Front Suspension Components - 4X2
G00379055Courtesy of MAZDA MOTORS CORP.
Fig 2: Lower Arm Components - 4X2
G00379056Courtesy of MAZDA MOTORS CORP.
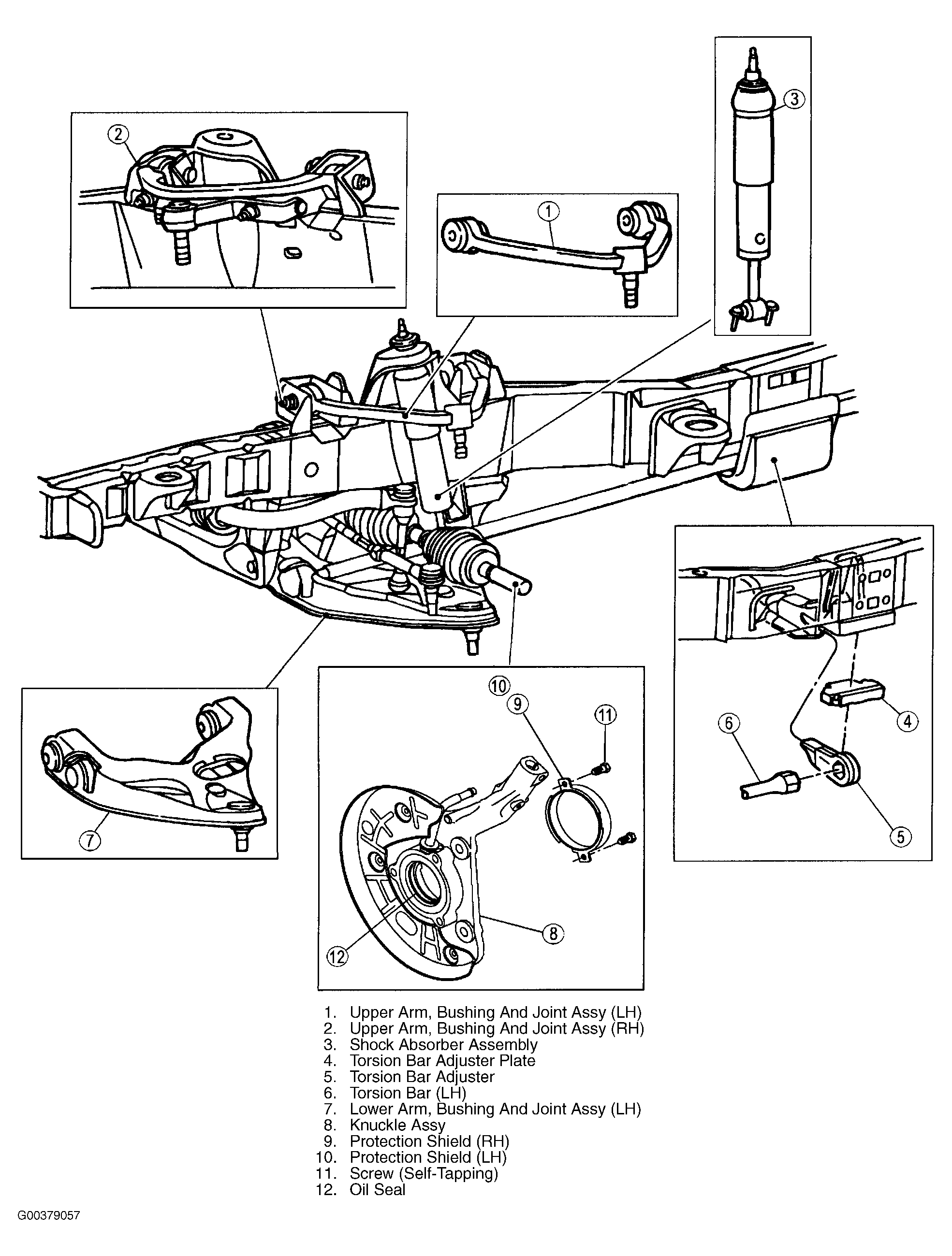
Fig 3: Front Suspension Components - 4X4
G00379057Courtesy of MAZDA MOTORS CORP.