lemon-mirror:
Home >> Mazda >> 2002 >> Protege5 Automatic >> Repair and Diagnosis >> Engine Mechanical >> Engine Mechanical 2.0L >> Intake-Air System Removal/Installation >> Notes

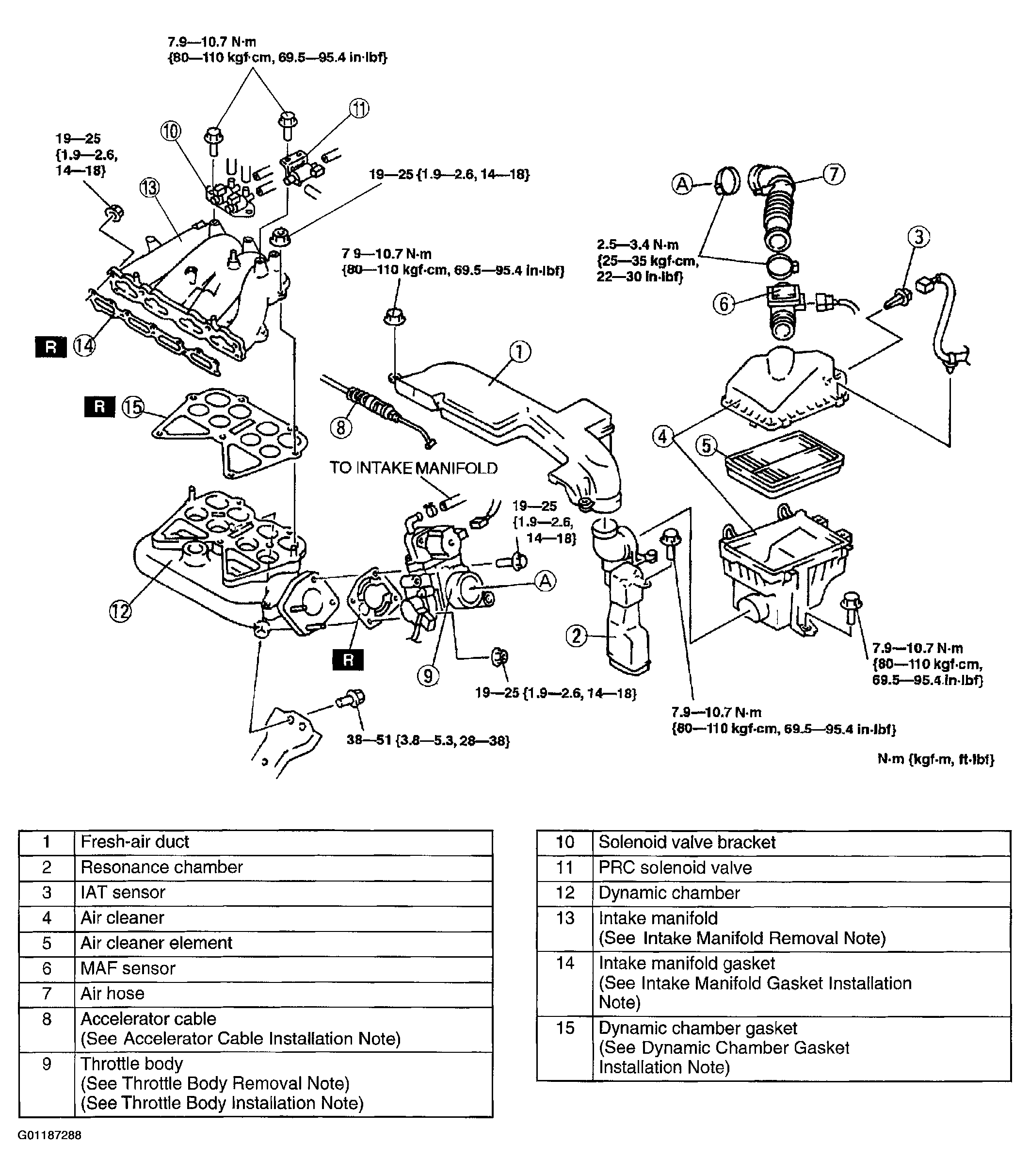
Intake-Air System Removal/Installation: Notes

WARNING:
  • When the engine and intake-air system are hot, they can badly burn. Turn off the engine and wait until they are cool before removing the intake-air system.
  • Fuel vapor is hazardous. It can easily ignite, causing serious injury and damage. Always keep sparks and flames away from fuel.
  • Fuel line spills and leakage are dangerous. Fuel can ignite and cause serious injuries or death and damage. Fuel can also irritate skin and eyes. To prevent this, always complete the "BEFORE REPAIR PROCEDURE". See BEFORE REPAIR PROCEDURE .
  1. Disconnect the negative battery cable.
  2. Remove in the order indicated in the illustration. Refer to REMOVAL NOTES .
    Fig 1: Removing/Installing Intake Air System
    G01187288Courtesy of MAZDA MOTORS CORP.
  3. Install in the reverse order of removal. Refer to INSTALLATION NOTES .