lemon-mirror:
Home >> Mazda >> 2003 >> B2300 Base, Automatic >> Repair and Diagnosis >> Body & Frame >> Windows >> Glass/Windows/Mirrors >> Power Window Motor Removal/Installation >> Installation Note

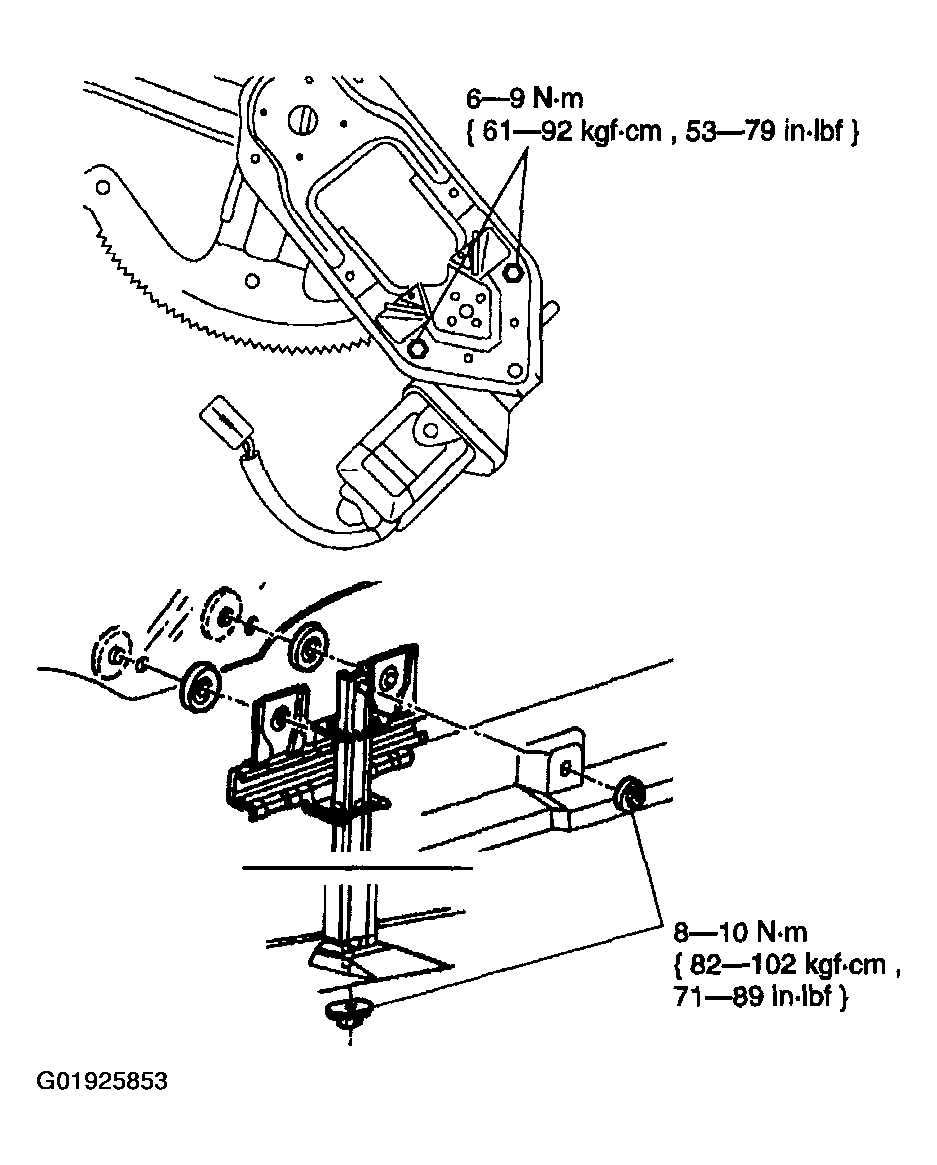
Installation Note

  1. Install in reverse order of removal.
    • Use a heavy duty riveter to install the new rivets.
    Fig 1: Installing Motor
    G01925853Courtesy of MAZDA MOTORS CORP.