lemon-mirror:
Home >> Mazda >> 2003 >> B4000 Base, Automatic >> Repair and Diagnosis >> External Pages >> Different car >> Section 249 (Dynamic Stability Control System) >> DSC System Diagram

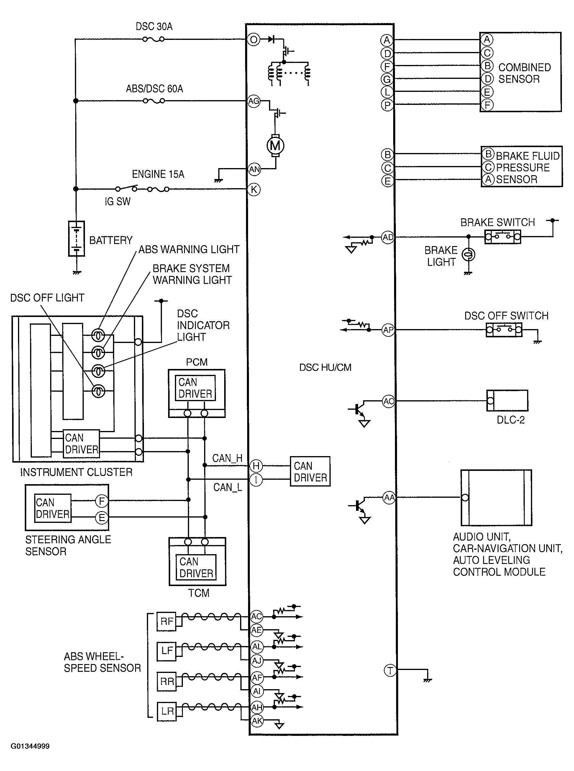
DSC System Diagram

WARNING: This page is about a different car, the 2004 Mazda RX-8. However, it is still accessible from the selected car via links, so may be relevant.
Fig 1: DSC System Diagram
G01344999Courtesy of MAZDA MOTORS CORP.