lemon-mirror:
Home >> Mazda >> 2003 >> MPV ES >> Repair and Diagnosis >> Engine Performance >> Vacuum Diagrams >> Introduction >> B3000

Vacuum Diagrams: Introduction: B3000

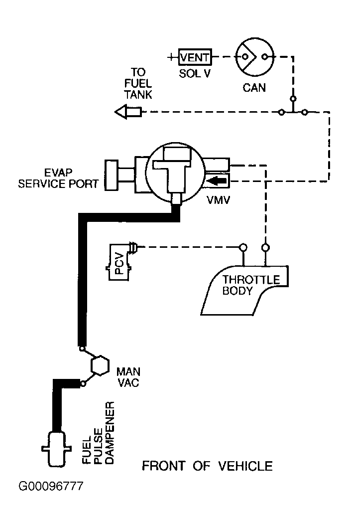
Fig 1: Vacuum Diagram - 2003 (B3000 3.0L)
G00096777Courtesy of FORD MOTOR CO.