lemon-mirror:
Home >> Mazda >> 2003 >> MPV ES >> Repair and Diagnosis >> Transmission >> Automatic Trans >> Automatic Transaxle - General >> Automatic Transaxle Control System Wiring Diagram

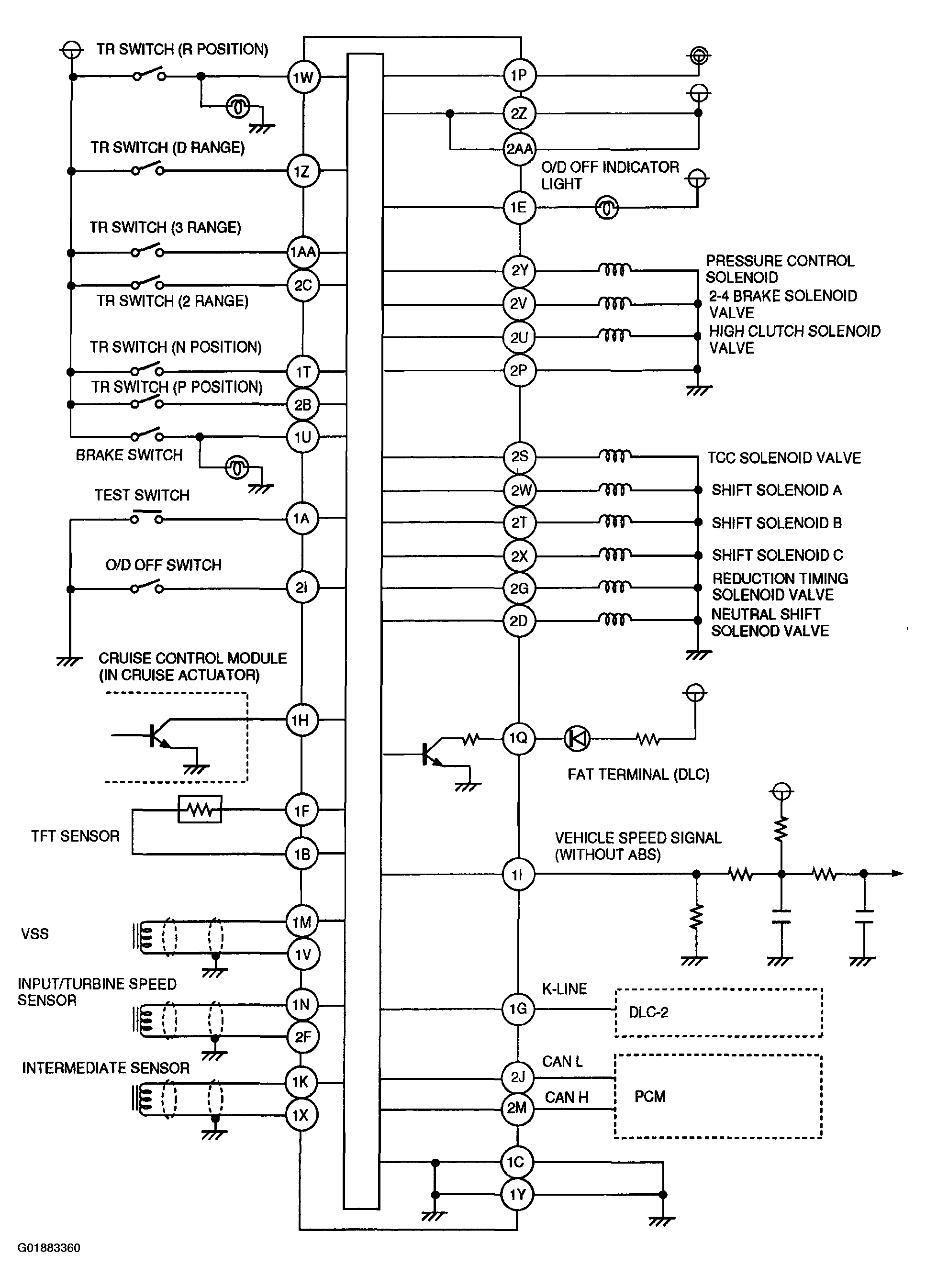
Automatic Transaxle Control System Wiring Diagram

Fig 1: Automatic Transaxle Control System - Wiring Diagram
G01883360Courtesy of MAZDA MOTORS CORP.